Мотор-вариаторы
Вариаторы плавно меняют вращающий момент на выходном валу и скорость с диапазоном регулирования 1:5. Передаточное отношение вариатора может изменяться вручную или автоматически с помощью дополнительного пневмо- или электропривода.
Мотор-вариаторы комплектуются червячными, цилиндрическими, коническо-цилиндрическими или другими редукторами со стандартным входным фланцем и полым входным валом.
Если необходимо обеспечить постоянство крутящего момента (при уменьшении частоты вращения уменьшать мощность привода) вариаторы эксплуатируются с преобразователем частоты.
Климатическое исполнение в стандартном исполнении - У2 или У3 по ГОСТ 15150-69. Изготавливаются в соответствии с требованиями ГОСТ 4.124-84.
Гарантийный срок - 12 месяцев со дня ввода в эксплуатацию, но не более 18 месяцев со дня продажи.
Сертификат соответствия на вариаторы ENERAL
Декларация соответствия на мотор-вариаторы ENERAL
Вариатор состоит из двух внутренних солнечных колес (1 и 2) с набором тарельчатых пружин (3), которые одеваются на входной вал двигателя (4). Два наружных колеса (5 и 6) фиксируются на корпусе вариатора и остаются неподвижными. Планетарные диски (7) удерживаются втулками (8) и перемещаются радиально в водиле (9), установленном на выходном валу вариатора. Планетарные диски зажаты между внутренними солнечными колесами (которые приводят их в движение) и неподвижными колесами. Это обеспечивает двойное движение, которое вращает выходной вал и одетое на него водило. Скорость изменяется поворотом маховика (10), перемещающего под углом внешнее колесо (6) в "слезковом" (12) и кулачковом (11) механизмах. Данное перемещение меняет расстояние между колесами (5 и 6) путём изменения радиального перемещения планетарных дисков. Так варьируется относительное движение, передаваемое на водило.
|
Мощность двиг., кВт |
Габарит вариатора |
i | n2 min | n2 max | M2 min | M2 max |
|---|---|---|---|---|---|---|
| n1 = 2800 об/мин | ||||||
| 0,37 | UDL002 | 1.6-8.2 | 341 | 1750 | 1,5 | 3 |
| 0,75 | UDL005 | 1.4-7 | 400 | 2000 | 3 | 6 |
| 1,1 | UDL010 | 1.4-7 | 400 | 2000 | 6 | 12 |
|
n1 = 1400 об/мин |
||||||
| 0,18 | UDL002 | 1.6-8.2 | 170 | 880 | 1,5 | 3 |
| 0,37 | UDL005 | 1.4-7 | 200 | 1000 | 3 | 6 |
| 0,75 | UDL010 | 1.4-7 | 200 | 1000 | 6 | 12 |
| 1,5 | UDT020 | 1.4-7 | 200 | 1000 | 12 | 24 |
| 4 | UDT030 | 1.4-7 | 200 | 1000 | 32 | 64 |
| 5,5 | UDT050 | 1.4-7 | 200 | 1000 | 45 | 90 |
|
n1 = 900 об/мин |
||||||
| 0,25 | UDL005 | 1.6-8.2 | 110 | 562 | 3 | 6 |
| 0,55 | UDL010 | 1.4-7 | 129 | 643 | 6 | 12 |
| 1,1 | UDT020 | 1.4-7 | 129 | 643 | 12 | 24 |
| 2,2 | UDT030 | 1.4-7 | 129 | 643 | 32 | 64 |
| 5,5 | UDT050 | 1.4-7 | 129 | 643 | 45 | 90 |
| Тип | РАМ IEC | Р1 | N1 (H8) | МЗ | О2 | D2 (F7) | Т1 |
|---|---|---|---|---|---|---|---|
| UDL002 | 63В5 | 140 | 95 | 115 | М8 | 11 | 5 |
| UDL005 | 71В5 | 160 | 110 | 130 | М8 | 14 | 5 |
| UDL010 | 80В5 | 200 | 130 | 165 | М10 | 19 | 6 |
| 90В5 | 200 | 130 | 165 | М10 | 19 | 6 | |
| UDT020 | 90В5 | 200 | 130 | 165 | М10 | 24 | 6 |
| UDT030 | 100/112В5 | 250 | 180 | 215 | М12 | 28 | 6 |
| UDT050 | 132В5 | 300 | 230 | 265 | М12 | 38 | 6 |
Монтажное исполнение B3
| Тип | B | C | C1 | D (j6) | E | H | H1 | K | L | M1 | M2 | O1 | KA | КВ | KC | KD | KD1 | KE | b | t | Z |
|---|---|---|---|---|---|---|---|---|---|---|---|---|---|---|---|---|---|---|---|---|---|
| UDL002 | 23 | 105 | 18 | 11 | 80 | 145 | 120 | 88 | 136 | 110 | 71 | 9 | 71 | 111 | 78 | 110 | 110 | 85 | 4 | 12,5 | 10 |
| UDL005 | 30 | 104 | 20 | 14 | 93 | 149 | 125 | 104 | 140 | 120 | 96 | 9 | 71 | 123 | 90 | 110 | 110 | 85 | 5 | 16 | 10 |
| UDL010 | 40 | 125 | 26 | 19 | 113 | 190 | 150 | 126 | 179 | 160 | 135 | 11 | 79 | 140 | 107 | 120 | 120 | 110 | 6 | 21,5 | 15 |
| UDT020 | 50 | 115 | 54 | 30 | 123 | 241 | 150 | 165 | 238 | 180 | 143 | 13 | - | 144 | 122 | 150 | - | 110 | 8 | 27 | 18 |
| UDT030 | 60 | 230 | 25 | 30 | 150 | 300 | 270 | 191 | 268 | 245 | 190 | 14 | - | 188 | 150 | 150 | - | 110 | 8 | 33 | 25 |
| UDT050 | 70 | 250 | 33 | 35 | 200 | 365 | 290 | 201 | 319 | 315 | 245 | 18 | - | - | 192 | 192 | - | 110 | 10 | 38 | 30 |
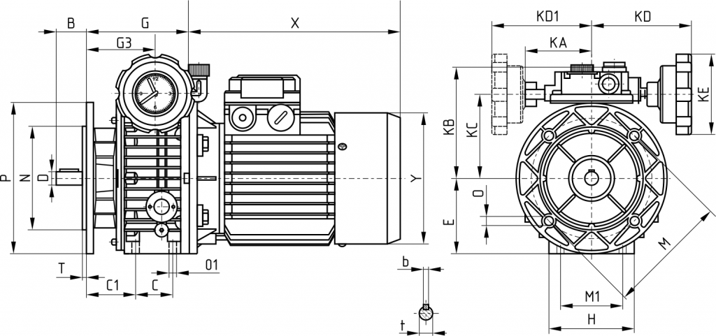
Монтажное исполнение B5

| Тип | B | C | C1 | D (j6) | E | G | G3 | H | M | M1 | N | O | O1 | P | T | KA | KB | KC | KD | KD1 | KE | b | t |
|---|---|---|---|---|---|---|---|---|---|---|---|---|---|---|---|---|---|---|---|---|---|---|---|
| UDL002 | 23 | 50 | 46 | 11 | 70 | 113 | 64,5 | 72 | 115 | 60 | 95 | 9 | М6 | 140 | 3,5 | 71 | 111 | 78 | 110 | 110 | 85 | 4 | 13 |
| UDL005 | 30 | 40 | 53 | 14 | 80 | 110 | 74 | 90 | 130 | 77 | 110 | 9 | М8 | 160 | 3,5 | 71 | 123 | 90 | 110 | 110 | 85 | 5 | 16 |
| UDL010 | 40 | 58 | 60 | 19 | 100 | 139 | 85,5 | 98 | 165 | 84 | 130 | 11 | М8 | 200 | 3,5 | 79 | 140 | 107 | 120 | 110 | 110 | 6 | 22 |
| UDT020 | 50 | - | - | 30 | 126 | 188 | 115 | 241 | 165 | - | 130 | 11 | - | 200 | 3,5 | - | 144 | 122 | 150 | - | 110 | 8 | 27 |
| UDT030 | 60 | - | - | 30 | 150 | 208 | 131 | 270 | 265 | - | 230 | 15 | - | 300 | 4 | - | 188 | 150 | 160 | - | 110 | 8 | 33 |
| UDT050 | 70 | - | - | 35 | 200 | 244 | 131 | - | 300 | - | 250 | 19 | - | 350 | 5 | - | - | 192 | 194 | - | 110 | 10 | 38 |
Замену масла необходимо производить в соответствии с требованиями Инструкции по монтажу и эксплуатации.
| Castrol | TQ.DEXTRON II |
|---|---|
| BP | AUTRAN DX |
| Mobil | A.T.F.220 |
| ESSO | A.T.F. DEXTRON |
| Shell | A.T.F. DEXTRON |
| Agip | A.T.F. DEXTRON |
Заливаемый объем масла зависит от монтажного исполнения. Стандартно заливается объём масла, соответствующий монтажному исполнению V1, если при заказе не указано иное.
| Вариатор | Монтажное исполнение | ||
|---|---|---|---|
| B3-B5 | V1-V5 | V3-V6 | |
| UDL002 | 0,32 | ||
| UDL005 | 0,48 | ||
| UDL010 | 0,28 | 1,2 | 0,28 |
| UDT020 | 0,45 | 2,9 | 1,05 |
| UDT030 | 1,2 | 6 | 2,5 |
| UDT050 | 2,3 | 10 | 4,5 |
