Двухскоростные электродвигатели
Двухскоростные электродвигатели используются в качестве приводов механизмов и агрегатов со ступенчатым регулированием частоты вращения. Двигатели имеют две частоты вращения, изменяемые путем переключения обмотки на другое число полюсов. Климатическое исполнение и размещение - У1.
Гарантия - 2 года с даты ввода в эксплуатацию, но не более 3 лет с даты продажи при наработке до 10 000 часов. При монтаже электродвигателя ENERAL от 160-го до 355-го габарита в комплекте с термисторным реле ENERAL GRB-2B-220-3 предоставляется дополнительный год гарантии на данный электродвигатель.
Декларация соответствия на общепромышленные электродвигатели ENERAL серии АИР
| Тип ЭД | Рн, кВт | n, об/мин | КПД, % | Cos φ | Iн, А (380 В) | Кратности | Масса, кг | ||
|---|---|---|---|---|---|---|---|---|---|
| Iп/Iн | Мm/Мн | Мп/Мн | |||||||
| АИР 80МА4/2 | 1,12/1,5 | 1380/2760 | 75/72 | 75/75 | 3.2/4.26 | 1.5/1.7 | 1,7 | 6.0/6.5 | 12 |
| АИР 90L6/4 | 1,32/1,6 | 920/1400 | 67/71 | 78/78 | 3.8/4.75 | 1.5/1.4 | 1,7 | 5.5/6.0 | 18 |
| АИР 90L8/4 | 0,8/1,32 | 710/1390 | 64/69 | 66/87 | 3.0/4.35 | 1.5/1.4 | 1,7 | 5.0/6.0 | 17,3 |
| АИР 100L4/2 | 4,4/4,75 | 1420/2850 | 79/79 | 87/88 | 8.5/9.5 | 1.5/1.6 | 1,7 | 6.0/6.5 | 35,5 |
| АИР 100L6/4 | 2,12/3,15 | 920/1410 | 73/75 | 80/83 | 4.4/5.3 | 1.5/1.4 | 1,7 | 5.5/6.0 | 34 |
| АИР 100L8/4 | 1,4/2,36 | 720/1410 | 65/75 | 62/85 | 3.6/3.88 | 1.5/1.4 | 1,7 | 5.0/6.0 | 35 |
* Указанная частота вращения (синхронная частота) является справочной характеристикой. Принимая во внимание принцип работы асинхронного электродвигателя, в результате механических потерь номинальная частота вращения всегда ниже синхронной. Данные отличия не влияют на эксплуатационные характеристики оборудования.
** Указанная масса электродвигателя является справочной характеристикой. Точная масса указана на паспортной табличке электродвигателя. Данные отличия не влияют на эксплуатационные характеристики оборудования.
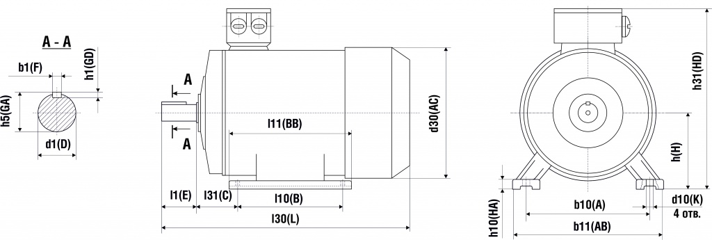
| Тип | Полюсов | Габаритные размеры | Установочные и присоединительные размеры | |||||||||||||
|---|---|---|---|---|---|---|---|---|---|---|---|---|---|---|---|---|
| l30 | h31 | d30 | b10 | b11 | l10 | l11 | l31 | d1 | l1 | b1 | h5 | h1 | h | d10 | ||
| L | HD | AC | A | AB | B | BB | C | D | E | F | GA | GD | H | K | ||
| АИР80(М)А | 4/2 | 296,5 | 350 | 190 | 125 | 155 | 100 | 180 | 50 | 22 | 50 | 6 | 24,5 | 6 | 80 | 10 |
| АИР90L | 6/4, 8/4 | 337 | 390 | 190 | 140 | 172 | 125 | 190/210 | 56 | 24 | 50 | 8 | 27 | 7 | 90 | 10 |
| АИР100L | 4/2, 6/4, 8/4 | 391 | 455 | 215 | 160 | 200 | 140 | 176 | 63 | 28 | 60 | 8 | 31 | 7 | 100 | 12 |
| АИР100S | 4/2, 6/4, 8/4 | 370 | 250 | 215 | 160 | 200 | 140 | 176 | 63 | 28 | 60 | 8 | 31 | 7 | 100 | 12 |
ВАЖНО: указанные размеры являются справочной характеристикой. Производственная группа ЭНЕРАЛ имеет право вносить изменения в конструкцию электродвигателя, в результате чего фактические габаритные и присоединительные размеры могут отличаться от значений в каталоге или на сайте. Данные отличия не влияют на эксплуатационные характеристики оборудования.
Штриховка обозначает опорную сторону.
*Сторона привода.
** Малый фланец - щит с отверстиями в корпусе электродвигателя. Крепление к оборудованию винтами.
В зависимости от габарита электродвигателя некоторые монтажные исполнения могут быть недоступны.
Возможно производство электродвигателей в других монтажных исполнениях, не указанных в таблице.
Электродвигатели асинхронные трехфазные изготавливаются на номинальные напряжения: 380, 660, 220/380, 380/660В при частоте 50 Гц по ГОСТ IEC 60034-1-2014.
Возможно изготовление на другие номинальные напряжения и на частоту 60Гц, по согласованию с заказчиком.
Однофазные двигатели предназначены для работы от сети переменного тока напряжением 220 В частотой 50 Гц.
Степень защиты обозначается IP…по ГОСТ IEC 60034-5-2011.
Для примера обозначение IP55 это электродвигатель, защищенный от пыли и водяных струй со всех направлений.
Электродвигатели общепромышленного назначения могут работать в различных режимах в соответствии с ГОСТ IEC 60034-1-2014 и обозначается S…(1, 2, 3, 4, 5, 6, 7, 8), где:
S1 – продолжительный режим работы
S2 – кратковременный режим работы
S3 – периодический повторно-кратковременный режим работы
S4 – периодический повторно-кратковременный режим работы с влиянием пусковых процессов
S5 – периодический повторно-кратковременный режим работы с влиянием пусковых процессов и электрическим торможением
S6 – перемежающийся режим работы
S7 – периодический перемежающийся режим работы с влиянием пусковых процессов и электрическим торможением
S8 – периодический перемежающийся режим работы с периодически меняющейся частотой вращения
Двигатели могут использоваться в макроклиматических районах с климатом в условиях определяемых категориями размещения по ГОСТ 15150-69.
Климатические факторы
| Климатическое исполнение | Категория размещения | Верхнее значение рабочей температуры, °С | Нижнее значение рабочей температуры,°С | Максимальное значение относительной влажности, % |
|---|---|---|---|---|
| У | 1,2 | +40 | -45 | 100 при 25°С |
| У | 3 | +40 | -45 | 98 при 25°С |
| УХЛ | 4 | +35 | +1 | 80 при 25°С |
| Т | 2 | +50 | -10 | 100 при 25°С |
| ХЛ, УХЛ | 1,2 | +40 | -60 | 100 при 25°С |
Электродвигатели с нормальным КПД и электродвигатели с повышенным КПД (энергосберегающие), и соответственно обозначение класса энергетической эффективности по международному стандарту IEC 60034-30:
IE1 - "стандартный" класс КПД;
IE2 - "повышенный" класс КПД;
IE3 - "премиум" класс КПД;
IE4 - "суперпремиум" класс КПД.
