Электродвигатели с фазным ротором 5АНК
Гарантия - 2 года с даты ввода в эксплуатацию, но не более 3 лет с даты продажи при наработке до 10 000 часов.
ENERAL с фазным ротором серии 5АНК
| Тип | Pн,кВт | I, А | Частота вращения, об/мин | КПД, % | cosφ | Мm/Мн | U ротора, В | I ротора, А | Шум, дБ | Момент инерции ротора, кг*м2 | Масса, кг |
|---|---|---|---|---|---|---|---|---|---|---|---|
| 2р=4 | |||||||||||
| 5АНК160М4 | 7,5(7,6) | 16 | 1421 | 84,5 | 0,84 | 3 | 248 | 20 | 85 | 0,395 | 150 |
| 5АНК160L4 | 11 | 23 | 1434 | 86,5 | 0,84 | 3,2 | 276 | 26 | 85 | 0,486 | 160 |
| 4АНК160ML4 | 15 | 31 | 1444 | 87 | 0,85 | 3,2 | 274 | 35 | 88 | 0,597 | 165 |
| 5АНК180М4 | 18,5 | 37 | 1426 | 87,5 | 0,87 | 3 | 198 | 61 | 88 | 1 | 220 |
| 5АНК180L4 | 22 | 43 | 1434 | 88,5 | 0,88 | 3 | 228 | 62 | 88 | 1,09 | 250 |
| 5АНК200L4 | 37 | 71 | 1448 | 89,5 | 0,88 | 3 | 330 | 71 | 91 | 2,21 | 329 |
| 5АНК200М4 | 30 | 59 | 1439 | 88,5 | 0,88 | 3 | 264 | 73 | 91 | 1,82 | 280 |
| 4АНК225S4 | 45 | 87 | 1442 | 89,5 | 0,88 | 2,6 | 250 | 114 | 94 | 2,6 | 370 |
| 5АНК225М4 | 55 | 105 | 1448 | 90 | 0,88 | 2,6 | 296 | 117 | 94 | 2,96 | 400 |
| 5АНК250S4 | 75 | 141 | 1453 | 90,5 | 0,89 | 2,8 | 450 | 105 | 97 | 5,35 | 460 |
| 5АНК250М4 | 90 | 168 | 1457 | 91,2 | 0,89 | 2,8 | 525 | 107 | 97 | 6 | 550 |
| 5АНК280S4 | 110 | 205 | 1458 | 91,5 | 0,89 | 2,8 | 367 | 186 | 100 | 9,1 | 680 |
| 5АНК280М4 | 132 | 241 | 1463 | 92,5 | 0,9 | 2,8 | 437 | 187 | 100 | 10,39 | 750 |
| 5АНК315S4 | 160 | 292 | 1465 | 92,5 | 0,9 | 2,8 | 326 | 307 | 87 | 4,2 | 955 |
| 5АНК315МА4 | 185 | 336 | 1465 | 92,8 | 0,9 | 2,8 | 383 | 300 | 87 | 4,7 | 1065 |
| 5АНК315МВ4 | 200 | 363 | 1470 | 93 | 0,9 | 2,8 | 414 | 300 | 87 | 5,1 | 1150 |
| 5АНК315МС4 | 220 | 398 | 1475 | 93,3 | 0,9 | 2,8 | 466 | 292 | 90 | 5,6 | 1280 |
| 5АНК355МS4 | 250 | 447 | 1470 | 93,3 | 0,91 | 2,6 | 413 | 376 | 95 | 10,5 | 1240 |
| 5АНК355МD4 | 280 | 496 | 1470 | 93,8 | 0,89 | 2,3 | 462 | 373 | 98 | 11,5 | 1740 |
| 5АНК355LA4 | 355 | 631 | 1475 | 94 | 0,91 | 2,6 | 567 | 386 | 98 | 13,1 | 1640 |
| 5АНК355LB4 | 400 | 696 | 1477 | 94,3 | 0,89 | 2,5 | 665 | 367 | 98 | 13,5 | 1890 |
| 5АНК355LC4 | 450 | 783 | 1479 | 94,3 | 0,89 | 2,5 | 764 | 357 | 98 | 13,9 | 1930 |
| 5АНК400S4 | 400 | 716 | 1473 | 94,3 | 0,9 | 2,5 | 611 | 399 | 106 | 17,9 | 2390 |
| 5АНК400M4 | 420 | 752 | 1474 | 94,3 | 0,9 | 2,5 | 640 | 400 | 106 | 18,1 | 2420 |
| 5АНК400L4 | 450 | 806 | 1476 | 94,3 | 0,9 | 2,5 | 708 | 387 | 106 | 20,1 | 2570 |
| 5АНК400LA4 | 480 | 859 | 1477 | 94,3 | 0,9 | 2,5 | 741 | 393 | 106 | 21,5 | 2660 |
| 5АНК400LB4 | 500 | 895 | 1476 | 94,3 | 0,9 | 2,5 | 765 | 398 | 106 | 21,5 | 2660 |
| 5АНК400SL4 | 560 | 967 | 1478 | 94,3 | 0,91 | 2,5 | 850 | 400 | 106 | 22,1 | 2710 |
| 5АНК400ML4 | 630 | 1087 | 1479 | 94,5 | 0,91 | 2,5 | 957 | 399 | 106 | 22,9 | 2740 |
| 2р=6 | |||||||||||
| 5АНК160М6 | 5,5 | 13 | 949 | 82,5 | 0,78 | 2,8 | 271 | 13 | 78 | 0,572 | 145 |
| 5АНК160L6 | 7,5(7,6) | 17 | 949 | 83,5 | 0,79 | 2,8 | 254 | 19 | 82 | 0,655 | 160 |
| 5АНК180М6 | 11 | 25 | 940 | 84,5 | 0,79 | 2,8 | 153 | 48 | 82 | 1,25 | 220 |
| 5АНК180L6 | 15 | 34 | 947 | 85,5 | 0,8 | 2,8 | 190 | 52 | 85 | 1,48 | 240 |
| 5АНК180МL6 | 22 | 46 | 957 | 87,5 | 0,83 | 2,6 | 266 | 53 | 80 | 2,1 | 270 |
| 5АНК200М6 | 18,5 | 40 | 949 | 86,5 | 0,82 | 2,6 | 187 | 65 | 85 | 2,17 | 292 |
| 5АНК200L6 | 22 | 46 | 955 | 87,5 | 0,83 | 2,6 | 224 | 63 | 85 | 2,55 | 318 |
| 5АНК200ML6 | 30 | 61 | 953 | 88 | 0,84 | 2,6 | 205 | 94 | 85 | 2,86 | 335 |
| 5АНК225МА6 | 30 | 62 | 955 | 88 | 0,84 | 2,6 | 226 | 86 | 88 | 3,237 | 360 |
| 5АНК225МВ6 | 37 | 74 | 964 | 89 | 0,85 | 2,6 | 287 | 82 | 88 | 3,736 | 400 |
| 5АНК225МL6 | 40 | 80 | 962 | 89 | 0,85 | 2,6 | 307 | 83 | 85 | 3,96 | 395 |
| 5АНК250S6 | 45 | 90 | 966 | 89,5 | 0,85 | 2,6 | 308 | 93 | 91 | 6,61 | 465 |
| 5АНК250М6 | 55 | 109 | 967 | 90 | 0,85 | 2,6 | 360 | 97 | 91 | 7,52 | 490 |
| 5АНК250МА6 | 75 | 146 | 968 | 90,5 | 0,86 | 2,6 | 454 | 103 | 91 | 9,26 | 550 |
| 5АНК280S6 | 75 | 146 | 969 | 90,5 | 0,86 | 2,5 | 393 | 121 | 94 | 11,52 | 660 |
| 5АНК280М6 | 90 | 174 | 972 | 91,5 | 0,86 | 2,6 | 481 | 118 | 94 | 14,05 | 780 |
| 5АНК315S6 | 110 | 212 | 975 | 91,5 | 0,86 | 2,6 | 246 | 282 | 87 | 5,3 | 965 |
| 5АНК315MA6 | 132 | 253 | 975 | 92 | 0,86 | 2,6 | 295 | 280 | 87 | 5,9 | 1135 |
| 5АНК315МВ6 | 160 | 306 | 980 | 92,5 | 0,86 | 2,6 | 341 | 294 | 90 | 7,5 | 1250 |
| 5АНК355МА6 | 185 | 352 | 975 | 92,8 | 0,86 | 2,6 | 284 | 402 | 90 | 12,5 | 1558 |
| 5АНК355МВ6 | 200 | 376 | 975 | 93 | 0,87 | 2,8 | 310 | 397 | 90 | 13,3 | 1635 |
| 5АНК355МС6 | 220 | 412 | 975 | 93,2 | 0,87 | 2,8 | 341 | 396 | 90 | 14,2 | 1670 |
| 5АНК355MD6 | 250 | 462 | 980 | 93,5 | 0,88 | 2,8 | 380 | 404 | 90 | 15,3 | 1820 |
| 5АНК355L6 | 280 | 517 | 980 | 93,5 | 0,88 | 2,8 | 427 | 401 | 90 | 16,7 | 1840 |
| 5АНК355LA6 | 315 | 573 | 983 | 93,8 | 0,87 | 2,2 | 510 | 377 | 90 | 17,1 | 1920 |
| 5АНК355LB6 | 355 | 643 | 983 | 93,8 | 0,87 | 2,2 | 552 | 392 | 90 | 17,3 | 1960 |
| 5АНК400SA6 | 315 | 579 | 982 | 93,8 | 0,88 | 2,8 | 518 | 372 | 103 | 22,6 | 2270 |
| 5АНК400SB6 | 355 | 653 | 983 | 93,8 | 0,88 | 2,2 | 579 | 374 | 103 | 24,3 | 2340 |
| 5АНК400SC6 | 400 | 734 | 984 | 94 | 0,88 | 2,2 | 656 | 370 | 103 | 26 | 2420 |
| 5АНК400LA6 | 450 | 826 | 985 | 94 | 0,88 | 2,2 | 738 | 371 | 103 | 30,3 | 2650 |
| 5АНК400LB6 | 500 | 918 | 984 | 94 | 0,88 | 2,2 | 767 | 398 | 103 | 31,3 | 2680 |
| 5АНК400L6 | 560 | 984 | 985 | 94,3 | 0,89 | 2,2 | 871 | 390 | 103 | 32,2 | 2740 |
| 5АНК400L6 | 630 | 1100 | 985 | 94,5 | 0,89 | 2,2 | 959 | 400 | 103 | 33,1 | 2800 |
| 2р=8 | |||||||||||
| 5АНК160М8 | 4 | 11 | 703 | 81 | 0,7 | 2,2 | 263 | 10 | 77 | 0,567 | 144 |
| 5АНК160L8 | 5,5 | 15 | 705 | 82 | 0,7 | 2,2 | 248 | 15 | 77 | 0,648 | 160 |
| 5АНК180М8 | 7,5(7,6) | 19 | 692 | 82 | 0,72 | 2,2 | 108 | 47 | 81 | 1,236 | 225 |
| 5АНК180L8 | 11 | 28 | 699 | 83 | 0,72 | 2,2 | 140 | 53 | 81 | 1,47 | 240 |
| 5АНК200М8 | 15 | 37 | 706 | 85 | 0,72 | 2,2 | 155 | 63 | 84 | 2,142 | 285 |
| 5АНК200L8 | 18,5 | 45 | 712 | 86 | 0,73 | 2,2 | 201 | 59 | 84 | 2,52 | 323 |
| 5АНК225МА8 | 22 | 50 | 710 | 86,5 | 0,78 | 2,3 | 163 | 89 | 84 | 3,164 | 350 |
| 5АНК225МВ8 | 30 | 66 | 713 | 88 | 0,79 | 2,3 | 221 | 88 | 87 | 3,621 | 390 |
| 5АНК250S8 | 37 | 80 | 715 | 88,5 | 0,79 | 2,3 | 221 | 108 | 87 | 6,42 | 442 |
| 5АНК250М8 | 45 | 97 | 720 | 89 | 0,79 | 2,3 | 269 | 107 | 90 | 7,33 | 465 |
| 5АНК250МВ8 | 55 | 116 | 723 | 89,5 | 0,8 | 2,5 | 327 | 105 | 90 | 9,02 | 550 |
| 5АНК280S8 | 55 | 117 | 723 | 89,5 | 0,8 | 2,5 | 326 | 113 | 90 | 10,55 | 666 |
| 5АНК280М8 | 75 | 157 | 725 | 90,5 | 0,8 | 2,5 | 367 | 129 | 93 | 13,71 | 780 |
| 5АНК315S8 | 90 | 187 | 725 | 91 | 0,8 | 2,4 | 264 | 215 | 90 | 6,1 | 945 |
| 5АНК315M8 | 110 | 228 | 725 | 91,5 | 0,8 | 2,4 | 334 | 205 | 90 | 6,8 | 1110 |
| 5АНК315MA8 | 132 | 272 | 730 | 92 | 0,8 | 2,4 | 393 | 210 | 90 | 8,6 | 1200 |
| 5АНК355МВ8 | 160 | 324 | 735 | 92,5 | 0,81 | 2,4 | 290 | 339 | 87 | 14,6 | 1645 |
| 5АНК355МС8 | 185 | 371 | 735 | 92,5 | 0,82 | 2,4 | 316 | 361 | 87 | 15,7 | 1745 |
| 5АНК355МD8 | 200 | 399 | 735 | 92,8 | 0,82 | 2,4 | 354 | 347 | 88 | 17,4 | 1828 |
| 5АНК355LA8 | 220 | 438 | 735 | 93 | 0,82 | 2,4 | 390 | 347 | 88 | 19,2 | 2005 |
| 5АНК355LB8 | 250 | 496 | 735 | 93,3 | 0,82 | 2,4 | 434 | 354 | 90 | 19,2 | 2058 |
| 5АНК355LC8 | 260 | 516 | 735 | 93,3 | 0,82 | 2,4 | 434 | 368 | 90 | 19,2 | 2058 |
| 5АНК355LD8 | 280 | 538 | 735 | 93,5 | 0,81 | 2,2 | 474 | 361 | 90 | 19,4 | 1940 |
| 5АНК355LCD8 | 315 | 611 | 736 | 93,5 | 0,82 | 2,2 | 541 | 354 | 90 | 19,6 | 1960 |
| 5АНК400SA8 | 280 | 548 | 737 | 93,5 | 0,83 | 2,4 | 443 | 384 | 99 | 22,6 | 2290 |
| 5АНК400SAC8 | 300 | 587 | 737 | 93,5 | 0,83 | 2,4 | 443 | 412 | 99 | 23,2 | 2320 |
| 5АНК400SB8 | 315 | 616 | 737 | 93,5 | 0,83 | 2,4 | 492 | 388 | 99 | 24,3 | 2370 |
| 5АНК400SC8 | 355 | 695 | 738 | 93,5 | 0,83 | 2,2 | 554 | 388 | 99 | 28,5 | 2520 |
| 5АНК400LA8 | 400 | 780 | 739 | 93,8 | 0,83 | 2,2 | 662 | 382 | 99 | 31,4 | 2730 |
| 5АНК400LB8 | 450 | 867 | 739 | 93,8 | 0,84 | 2,2 | 739 | 366 | 99 | 34,8 | 2880 |
| 5АНК400LC8 | 500 | 964 | 738 | 93,8 | 0,84 | 2,2 | 739 | 408 | 99 | 34,8 | 2900 |
| 5АНК400LD8 | 560 | 1040 | 739 | 94,3 | 0,84 | 2,2 | 842 | 400 | 99 | 35,4 | 2950 |
| 2р=10 | |||||||||||
| 5АНК315S10 | 55 | 127 | 580 | 89 | 0,74 | 2,4 | 213 | 162 | 85 | 5,1 | 840 |
| 5АНК315МА10 | 75 | 171 | 580 | 90 | 0,74 | 2,4 | 290 | 161 | 85 | 6,4 | 1100 |
| 5АНК315МВ10 | 90 | 204 | 580 | 90,5 | 0,75 | 2,4 | 351 | 158 | 85 | 7,6 | 1160 |
| 5АНК355МA10 | 110 | 239 | 585 | 91 | 0,77 | 2,2 | 216 | 317 | 90 | 15 | 1570 |
| 5АНК355МB10 | 132 | 281 | 585 | 91,5 | 0,78 | 2,2 | 249 | 330 | 90 | 16 | 1670 |
| 5АНК355LA10 | 160 | 334 | 585 | 92 | 0,79 | 2,2 | 305 | 326 | 90 | 19,1 | 1950 |
| 5АНК355LB10 | 185 | 384 | 590 | 92,5 | 0,79 | 2,2 | 344 | 335 | 90 | 21,1 | 2140 |
| 5АНК355LC10 | 200 | 398 | 586 | 92,6 | 0,79 | 2,2 | 372 | 329 | 90 | 21,7 | 1980 |
| 5АНК355LD10 | 220 | 432 | 586 | 92,6 | 0,79 | 2,2 | 401 | 337 | 90 | 22 | 2040 |
| 5АНК400SA10 | 200 | 408 | 586 | 93 | 0,8 | 2,2 | 409 | 299 | 97 | 22,7 | 2250 |
| 5АНК400SC10 | 250 | 510 | 588 | 93 | 0,8 | 2,2 | 527 | 288 | 99 | 26,4 | 2420 |
| 5АНК400SD10 | 280 | 572 | 588 | 93 | 0,8 | 2,2 | 567 | 300 | 99 | 28,6 | 2510 |
| 5АНК400LA10 | 315 | 641 | 589 | 93,3 | 0,8 | 2,2 | 645 | 297 | 99 | 32 | 2710 |
| 5АНК400LB10 | 355 | 713 | 589 | 93,3 | 0,81 | 2,2 | 704 | 307 | 99 | 34,9 | 2840 |
| 5АНК400LC10 | 400 | 804 | 589 | 93,3 | 0,81 | 2,2 | 774 | 314 | 99 | 37,4 | 2950 |
| 2р=12 | |||||||||||
| 5АНК355MA12 | 90 | 208 | 485 | 90 | 0,73 | 2 | 194 | 285 | 90 | 15 | 1675 |
| 5АНК355LA12 | 110 | 253 | 485 | 90,5 | 0,73 | 2 | 234 | 288 | 90 | 17,6 | 1690 |
| 5АНК355LB12 | 132 | 302 | 485 | 91 | 0,73 | 2 | 276 | 293 | 90 | 20,2 | 1930 |
| 5АНК355LC12 | 160 | 345 | 489 | 92 | 0,75 | 2 | 329 | 296 | 90 | 20,8 | 1990 |
| 5АНК355LD12 | 185 | 403 | 489 | 92 | 0,75 | 2 | 390 | 289 | 97 | 21,5 | 2050 |
| 5АНК400SA12 | 160 | 400 | 489 | 92,3 | 0,73 | 2 | 405 | 234 | 97 | 24,3 | 2310 |
| 5АНК400SB12 | 185 | 400 | 489 | 92,3 | 0,73 | 2 | 445 | 246 | 97 | 26,2 | 2400 |
| 5АНК400SC12 | 200 | 400 | 490 | 92,3 | 0,73 | 2 | 495 | 238 | 97 | 28,2 | 2470 |
| 5АНК400LA12 | 220 | 400 | 491 | 92,5 | 0,73 | 2 | 558 | 233 | 97 | 31,6 | 2680 |
| 5АНК400LB12 | 250 | 400 | 491 | 92,5 | 0,73 | 2 | 637 | 231 | 99 | 35 | 2830 |
| 5АНК400LC12 | 280 | 400 | 491 | 92,5 | 0,74 | 2 | 666 | 248 | 99 | 37 | 2920 |
| 5АНК400LD12 | 315 | 400 | 491 | 92,5 | 0,74 | 2 | 720 | 258 | 99 | 39,4 | 3050 |
* Указанная частота вращения (синхронная частота) является справочной характеристикой. Принимая во внимание принцип работы асинхронного электродвигателя, в результате механических потерь номинальная частота вращения всегда ниже синхронной. Данные отличия не влияют на эксплуатационные характеристики оборудования.
** Указанная масса электродвигателя является справочной характеристикой. Точная масса указана на паспортной табличке электродвигателя. Данные отличия не влияют на эксплуатационные характеристики оборудования.
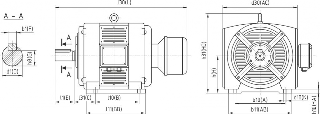
| Тип | Полюсов | Габаритные размеры | Установочные и присоединительные размеры | |||||||||||||
|---|---|---|---|---|---|---|---|---|---|---|---|---|---|---|---|---|
| d30 | l30 | h31 | b10 | l10 | l31 | d1 | l1 | b1 | h8 | h | d10 | b11 | l11 | h10 | ||
| AC | L | HD | A | B | C | D | E | F | G | H | K | AB | BB | HA | ||
|
5АНК160М |
4,6,8 | 380 | 750 | 405 | 254 | 210 | 108 | 48 | 110 | 14 | 42,5 | 160 | 15 | 330 | 270 | 20 |
| 5АНК160L | 4 | 810 | 254 | 314 | ||||||||||||
| 4АНК160ML | 4 | |||||||||||||||
| 5АНК160L | 6,8 | |||||||||||||||
| 5АНК160M | 6,8 | 750 | 210 | 270 | ||||||||||||
| 5АНК180М | 4,6,8 | 420 | 895 | 445 | 279 | 241 | 121 | 55 | 110 | 16 | 49 | 180 | 15 | 350 | 311 | 22 |
| 5АНК180L | 4,6,8 | 935 | 279 | 349 | ||||||||||||
| 5АНК180МL | 6 | 241 | 48 | 14 | 42,5 | |||||||||||
| 5АНК200М | 4,6,8 | 465 | 920 | 495 | 318 | 267 | 133 | 60 | 140 | 18 | 53 | 200 | 19 | 400 | 353 | 25 |
| 5АНК200L | 4,6,8 | 960 | 305 | 391 | ||||||||||||
| 5АНК200ML | 6 | |||||||||||||||
| 5АНК225М | 4 | 520 | 1060 | 545 | 356 | 311 | 149 | 65 | 58 | 225 | 450 | 393 | 28 | |||
| 5АНК225МL | 6 | |||||||||||||||
| 5АНК225МА | 6,8 | |||||||||||||||
| 5АНК225МВ | 6,8 | |||||||||||||||
| 5АНК250S | 4,6,8 | 550 | 1110 | 600 | 406 | 168 | 75 | 20 | 67,5 | 250 | 24 | 510 | 417 | 30 | ||
| 5АНК250М | 4,6,8 | 1150 | 349 | 455 | ||||||||||||
| 5АНК250МА | 6 | |||||||||||||||
| 5АНК250МВ | 8 | |||||||||||||||
| 5АНК280S | 4,6,8 | 610 | 1260 | 660 | 457 | 368 | 190 | 80 | 170 | 22 | 71 | 280 | 570 | 530 | 35 | |
| 5АНК280М | 4,6,8 | 1310 | 419 | 581 | ||||||||||||
| 5АНК315S | 4,6,8,10 | 665 | 1435 | 740 | 508 | 406 | 216 | 90 | 25 | 81 | 315 | 28 | 628 | 664 | 40 | |
| 5АНК315МА | 4,6,10 | 1530 | 457 | 754 | ||||||||||||
| 5АНК315МА | 8 | 1620 | ||||||||||||||
| 5АНК315МВ | 4,6,8,10 | |||||||||||||||
| 5АНК315МС | 4 | |||||||||||||||
| 5АНК315М | 8 | 1530 | ||||||||||||||
| 5АНК355MS | 4 | 790 | 1740 | 950 | 610 | 630 | 254 | 100 | 210 | 28 | 90 | 355 | 28 | 756 | 796 | |
| 5АНК355MD | 4,6,8 | |||||||||||||||
| 5АНК355МА | 6,10,12 | |||||||||||||||
| 5АНК355МB | 6,8,10 | |||||||||||||||
| 5АНК355МC | 6,8 | |||||||||||||||
| 5АНК355LA | 4,6,8,10,12 | 1850 | 995 | |||||||||||||
| 5АНК355LB | 4,6,8,10,12 | |||||||||||||||
| 5АНК355LC | 4,8,10,12 | |||||||||||||||
| 5АНК355L | 6 | |||||||||||||||
| 5АНК355LD | 8,10,12 | |||||||||||||||
| 5АНК355LCD | 8 | |||||||||||||||
| 5АНК400S | 4 | 880 | 1900 | 1110 | 686 | 280 | 110 | 210 | 100 | 400 | 35 | 850 | 930 | 50 | ||
| 5АНК400M | 4 | |||||||||||||||
| 5АНК400SA | 6,8,10,12 | |||||||||||||||
| 5АНК400SB | 6,8,12 | |||||||||||||||
| 5АНК400SC | 6,8,10,12 | |||||||||||||||
| 5АНК400SAC | 8 | |||||||||||||||
| 5АНК400SD | 10 | |||||||||||||||
| 5АНК400LA | 4,6,8,10,12 | 2100 | 1200 | 710 | 130 | 32 | 119 | 1116 | ||||||||
| 5АНК400LB | 4,6,8,10,12 | |||||||||||||||
| 5АНК400SL | 4 | |||||||||||||||
| 5АНК400ML | 4 | |||||||||||||||
| 5АНК400LС | 8,10,12 | |||||||||||||||
| 5АНК400LD | 8,12 | |||||||||||||||
ВАЖНО: указанные размеры являются справочной характеристикой. Производственная группа ЭНЕРАЛ имеет право вносить изменения в конструкцию электродвигателя, в результате чего фактические габаритные и присоединительные размеры могут отличаться от значений в каталоге или на сайте. Данные отличия не влияют на эксплуатационные характеристики оборудования.
Штриховка обозначает опорную сторону.
*Сторона привода.
** Малый фланец - щит с отверстиями в корпусе электродвигателя. Крепление к оборудованию винтами.
В зависимости от габарита электродвигателя некоторые монтажные исполнения могут быть недоступны.
Возможно производство электродвигателей в других монтажных исполнениях, не указанных в таблице.
Электродвигатели асинхронные трехфазные изготавливаются на номинальные напряжения: 380, 660, 220/380, 380/660В при частоте 50 Гц по ГОСТ IEC 60034-1-2014.
Возможно изготовление на другие номинальные напряжения и на частоту 60Гц, по согласованию с заказчиком.
Однофазные двигатели предназначены для работы от сети переменного тока напряжением 220 В частотой 50 Гц.
Степень защиты обозначается IP…по ГОСТ IEC 60034-5-2011.
Для примера обозначение IP55 это электродвигатель, защищенный от пыли и водяных струй со всех направлений.
Электродвигатели общепромышленного назначения могут работать в различных режимах в соответствии с ГОСТ IEC 60034-1-2014 и обозначается S…(1, 2, 3, 4, 5, 6, 7, 8), где:
S1 – продолжительный режим работы
S2 – кратковременный режим работы
S3 – периодический повторно-кратковременный режим работы
S4 – периодический повторно-кратковременный режим работы с влиянием пусковых процессов
S5 – периодический повторно-кратковременный режим работы с влиянием пусковых процессов и электрическим торможением
S6 – перемежающийся режим работы
S7 – периодический перемежающийся режим работы с влиянием пусковых процессов и электрическим торможением
S8 – периодический перемежающийся режим работы с периодически меняющейся частотой вращения
Двигатели могут использоваться в макроклиматических районах с климатом в условиях определяемых категориями размещения по ГОСТ 15150-69.
Климатические факторы
| Климатическое исполнение | Категория размещения | Верхнее значение рабочей температуры, °С | Нижнее значение рабочей температуры,°С | Максимальное значение относительной влажности, % |
|---|---|---|---|---|
| У | 1,2 | +40 | -45 | 100 при 25°С |
| У | 3 | +40 | -45 | 98 при 25°С |
| УХЛ | 4 | +35 | +1 | 80 при 25°С |
| Т | 2 | +50 | -10 | 100 при 25°С |
| ХЛ, УХЛ | 1,2 | +40 | -60 | 100 при 25°С |
Электродвигатели с нормальным КПД и электродвигатели с повышенным КПД (энергосберегающие), и соответственно обозначение класса энергетической эффективности по международному стандарту IEC 60034-30:
IE1 - "стандартный" класс КПД;
IE2 - "повышенный" класс КПД;
IE3 - "премиум" класс КПД;
IE4 - "суперпремиум" класс КПД.