Электродвигатели с электромагнитным тормозом
Электродвигатели ENERAL со встроенным электромагнитным тормозом предназначены для работы в режиме S4 с продолжительностью включения ПВ40% от сети переменного тока 50Гц, напряжением 380В (220/380В, 380/660В). Возможна регулировка тормозного момента. Степень пылевлагозащиты – IP54, климатическое исполнение и категория размещения – У2.
Гарантия - 2 года с даты ввода в эксплуатацию, но не более 3 лет с даты продажи при наработке до 10 000 часов.
Время растормаживания (включение электромагнитного тормоза) – не более 0,02 с. Время отключения тормоза – не более 0,1 с. Возможна комплектация ручным растормаживающим устройством (ручкой растормаживания), которое обеспечивает переключение привода в случае исчезновения напряжения, необходимого для отпуска тормозов.
Преимущества электромагнитных тормозов ENERAL:
1) Более эффективное торможение: тормозной момент в значительной степени зависит от площади поверхности слоя феродо на фрикционном диске. Электромагнитные тормоза ENERAL отличаются:
-
увеличенной толщиной слоя феродо: 80 габарит — 3 мм, 100 габарит — 4 мм.
-
увеличенной площадью рабочей поверхности слоя: 80 габарит — 4 769,2 мм2, 100 габарит - 11 599,2 мм2
-
добавлением латуни в слой феродо - это увеличивает ресурс тормозных накладок, что особенно важно при частых остановках.
2) Повышенная стойкость к износу и коррозии: изготавливаются из стали марки 45. Шлицевые втулки и крепёжные винты подвергаются воронению.
3) Надёжная конструкция: в комплект с крепёжными винтами входят шайбы Гровера, которые предотвращают раскручивание резьбового соединения.
Декларация соответствия на электродвигатели ENERAL с электромагнитным тормозом
| Р,кВт | 750 об/мин* | 1000 об/мин* | ||||||||||
|---|---|---|---|---|---|---|---|---|---|---|---|---|
| Тип ЭД | Масса, кг** | Тормозной момент, Н*м |
Время срабатыва- ния, мс |
Величина зазора, мм | Тип ЭД | Масса, кг** | Тормозной момент, Н*м | Время срабатыва-ния, мс | Величина зазора, мм | |||
| ном. | макс. | ном. | макс. | |||||||||
| 0,18 | - | АИР63А6Е | 9,5 | 4,0 | 60,0 | 0,3 | 0,6 | |||||
| 0,25 | АИР71В8Е | 14,2 | 4,0 | 60,0 | 0,3 | 0,6 | АИР63В6Е | 8,1 | 4,0 | 60,0 | 0,3 | 0,6 |
| 0,37 | АИР80А8Е | 18,0 | 8,0 | 85,0 | 0,3 | 0,8 | АИР71А6Е | 12,7 | 4,0 | 60,0 | 0,3 | 0,6 |
| 0,55 | АИР80В8Е | 20,0 | 8,0 | 85,0 | 0,3 | 0,8 | АИР71В6Е | 14,2 | 4,0 | 60,0 | 0,3 | 0,6 |
| 0,75 | АИР90LA8E | 23,9 | 15,0 | 105,0 | 0,4 | 0,8 | АИР80А6Е | 16,8 | 8,0 | 85,0 | 0,3 | 0,8 |
| 1,1 | АИР90LВ8E | 26,7 | 15,0 | 105,0 | 0,4 | 0,8 | АИР80В6Е | 20,5 | 8,0 | 85,0 | 0,3 | 0,8 |
| 1,5 | АИР100L8Е | 34,7 | 30,0 | 135,0 | 0,4 | 0,8 | АИР90L6Е | 25,2 | 15,0 | 105,0 | 0,4 | 0,8 |
| 2,2 | АИР112МА8Е | 45,0 | 60,0 | 147,0 | 0,5 | 1,0 | АИР100L6Е | 35,0 | 30,0 | 135,0 | 0,4 | 0,8 |
| 3,0 | АИР112МВ8Е | 50,5 | 60,0 | 147,0 | 0,5 | 1,0 | АИР112МА6Е | 47,5 | 60,0 | 147,0 | 0,5 | 1,0 |
| 4,0 | АИР132S8Е | 63,0 | 80,0 | 160,0 | 0,5 | 1,0 | АИР112МВ6Е | 52,0 | 60,0 | 147,0 | 0,5 | 1,0 |
| 5,5 | АИР132М8Е | 88,0 | 80,0 | 160,0 | 0,5 | 1,0 | АИР132S6Е | 71,0 | 80,0 | 160,0 | 0,5 | 1,0 |
| 7,5 | АИР160S8Е | 132,0 | 150,0 | 205,0 | 0,6 | 1,2 | АИР132М6Е | 88,0 | 80,0 | 160,0 | 0,5 | 1,0 |
| 11,0 | АИР160М8Е | 152,0 | 150,0 | 205,0 | 0,6 | 1,2 | АИР160S6Е | 134,0 | 150,0 | 205,0 | 0,6 | 1,2 |
| 15,0 | АИР180М8Е | 175,0 | 260,0 | 252,0 | 0,6 | 1,2 | АИР160М6Е | 154,0 | 150,0 | 205,0 | 0,6 | 1,2 |
| 18,5 | АИР200М8Е | 235,0 | 400,0 | 303,0 | 0,8 | 1,4 | АИР180М6Е | 120,0 | 260,0 | 252,0 | 0,6 | 1,2 |
| 22,0 | АИР200L8E | 269,0 | 400,0 | 303,0 | 0,8 | 1,4 | АИР200М6Е | 239,0 | 400,0 | 303,0 | 0,8 | 1,4 |
| 30,0 | - | АИР200L6E | 272,0 | 400,0 | 303,0 | 0,8 | 1,4 | |||||
| Р,кВт | 1500 об/мин* | 3000 об/мин* | ||||||||||
| Тип ЭД | Масса, кг** | Тормозной момент, Н*м |
Время срабатыва- ния, мс |
Величина зазора, мм | Тип ЭД | Масса, кг** | Тормозной момент, Н*м |
Время срабатыва- ния, мс |
Величина зазора, мм | |||
| ном. | макс. | ном. | макс. | |||||||||
| 0,18 | АИР56А4Е | 4,9 | 4,0 | 60,0 | 0,3 | 0,6 | АИР56А2Е | 4,7 | 4,0 | 60,0 | 0,3 | 0,6 |
| АИР56В4Е | 4,7 | 4,0 | 60,0 | 0,3 | 0,6 | |||||||
| 0,25 | АИР63А4Е | 6,1 | 4,0 | 60,0 | 0,3 | 0,6 | АИР56В2Е | 4,5 | 4,0 | 60,0 | 0,3 | 0,6 |
| 0,37 | АИР63В4Е | 6,8 | 4,0 | 60,0 | 0,3 | 0,6 | АИР63А2Е | 9,0 | 4,0 | 60,0 | 0,3 | 0,6 |
| 0,55 | АИР71А4Е | 12,4 | 4,0 | 60,0 | 0,3 | 0,6 | АИР63В2Е | 9,5 | 4,0 | 60,0 | 0,3 | 0,6 |
| 0,75 | АИР71В4Е | 13,7 | 4,0 | 60,0 | 0,3 | 0,6 | АИР71А2Е | 13,0 | 4,0 | 60,0 | 0,3 | 0,6 |
| 1,1 | АИР80А4Е | 17,1 | 8,0 | 85,0 | 0,3 | 0,8 | АИР71В2Е | 13,8 | 4,0 | 60,0 | 0,3 | 0,6 |
| 1,5 | АИР80В4Е | 19,0 | 8,0 | 85,0 | 0,3 | 0,8 | АИР80А2Е | 17,6 | 8,0 | 85,0 | 0,3 | 0,8 |
| 2,2 | АИР90L4Е | 24,3 | 15,0 | 105,0 | 0,4 | 0,8 | АИР80В2Е | 20,2 | 8,0 | 85,0 | 0,3 | 0,8 |
| 3,0 | АИР100S4Е | 30,9 | 30,0 | 135,0 | 0,4 | 0,8 | АИР90L2Е | 25,2 | 15,0 | 105,0 | 0,4 | 0,8 |
| 4,0 | АИР100L4Е | 37,0 | 30,0 | 135,0 | 0,4 | 0,8 | АИР100S2Е | 33,1 | 30,0 | 135,0 | 0,4 | 0,8 |
| 5,5 | АИР112М4Е | 67,0 | 60,0 | 147,0 | 0,5 | 1,0 | АИР100L2Е | 39,5 | 30,0 | 135,0 | 0,4 | 0,8 |
| 7,5 | АИР132S4Е | 75,0 | 80,0 | 160,0 | 0,5 | 1,0 | АИР112М2Е | 45,0 | 60,0 | 147,0 | 0,5 | 1,0 |
| 11,0 | АИР132М4Е | 85,0 | 80,0 | 160,0 | 0,5 | 1,0 | АИР132М2Е | 74,0 | 80,0 | 160,0 | 0,5 | 1,0 |
| 15,0 | АИР160S4Е | 135,0 | 150,0 | 205,0 | 0,6 | 1,2 | АИР160S2Е | 118,0 | 150,0 | 205,0 | 0,6 | 1,2 |
| 18,5 | АИР160М4Е | 150,0 | 150,0 | 205,0 | 0,6 | 1,2 | АИР160М2Е | 141,0 | 150,0 | 205,0 | 0,6 | 1,2 |
| 22,0 | АИР180S4Е | 175,0 | 260,0 | 252,0 | 0,6 | 1,2 | АИР180S2Е | 170,0 | 260,0 | 252,0 | 0,6 | 1,2 |
| 30,0 | АИР180М4Е | 201,0 | 260,0 | 252,0 | 0,6 | 1,2 | АИР180М2Е | 203,0 | 260,0 | 252,0 | 0,6 | 1,2 |
| 37,0 | АИР200М4Е | 265,0 | 400,0 | 303,0 | 0,8 | 1,4 | АИР200М2Е | 250,0 | 400,0 | 303,0 | 0,8 | 1,4 |
| 45,0 | АИР200L4E | 297,0 | 400,0 | 303,0 | 0,8 | 1,4 | АИР200L2E | 265,0 | 400,0 | 303,0 | 0,8 | 1,4 |
* Указанная частота вращения (синхронная частота) является справочной характеристикой. Принимая во внимание принцип работы асинхронного электродвигателя, в результате механических потерь номинальная частота вращения всегда ниже синхронной. Данные отличия не влияют на эксплуатационные характеристики оборудования.
** Указанная масса электродвигателя является справочной характеристикой. Точная масса указана на паспортной табличке электродвигателя. Данные отличия не влияют на эксплуатационные характеристики оборудования.

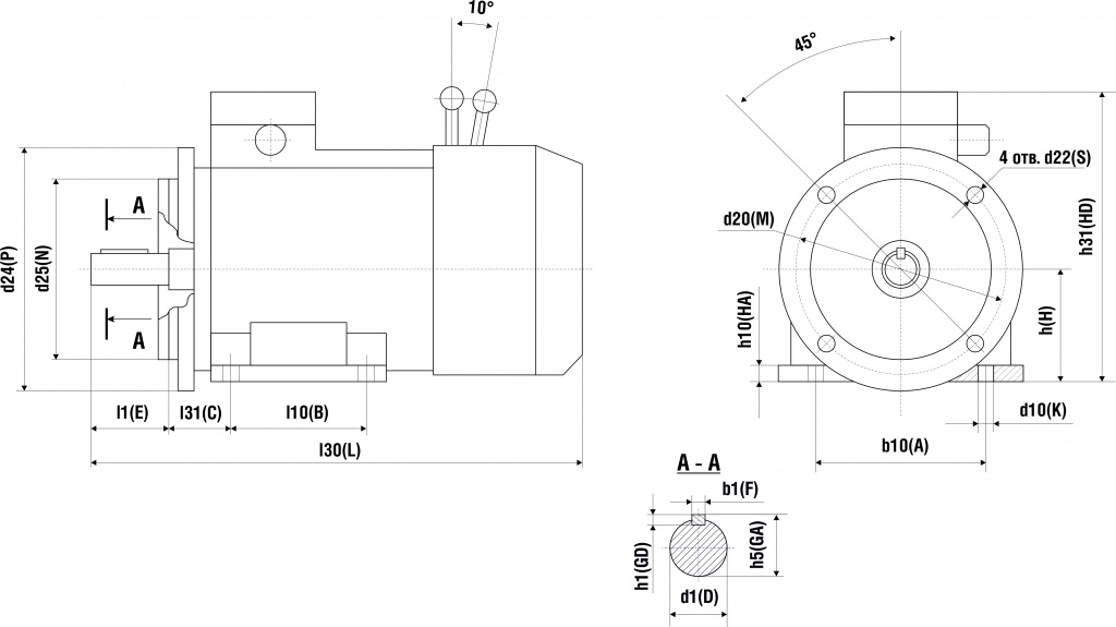
| Тип ЭД | Число полюсов | Габаритные размеры | Установочные и присоединительные размеры | |||||||||||||||||||
|---|---|---|---|---|---|---|---|---|---|---|---|---|---|---|---|---|---|---|---|---|---|---|
| l30 | h31 | d24 (1)* | d24 (2)* | l31 | b1 | b10 | h | h5 | h10 | d1 | d10 | h1 | l1 | l10 | d20 (1)* | d20 (2)* | d22 (1)* | d22 (2)* | d25 (1)* | d25 (2)* | ||
| L | HD | P | P | C | F | A | H | GA | HA | D | K | GD | E | B | M | M | S | S | N | N | ||
| АИР56 | 2,4 | 273 | 148 | 140 | 99 | 36 | 4 | 90 | 56 | 12,5 | 7 | 11 | 5,8 | 4 | 23 | 71 | 115 | 85 | 10 | М6 | 95 | 70 |
| 80 | 65 | М5 | 50 | |||||||||||||||||||
| АИР63 | 2,4 | 292 | 161 | 160 | 110 | 40 | 5 | 100 | 63 | 16 | 8 | 14 | 7 | 5 | 30 | 80 | 130 | 100 | 10 | М6 | 110 | 80 |
| 90 | 75 | М5 | 60 | |||||||||||||||||||
| АИР71 | 2,4,6 | 328 | 188 | 200 | 140 | 45 | 6 | 112 | 71 | 21,5 | 8 | 19 | 7 | 6 | 40 | 90 | 165 | 115 | 12 | М8 | 130 | 95 |
| 105 | 85 | М6 | 70 | |||||||||||||||||||
| АИР80А | 2,4,6,8 | 357 | 205 | 200 | 120 | 50 | 6 | 125 | 80 | 24,5 | 9 | 22 | 10 (12) | 6 | 50 | 100 | 165 | 100 | 12 | М6 | 130 | 80 |
| АИР80В | 2,4,6,8 | 381 | 205 | 200 | 120 | 50 | 6 | 125 | 80 | 24,5 | 9 | 22 | 10 (12) | 6 | 50 | 100 | 165 | 100 | 12 | М6 | 130 | 80 |
| АИР90L | 2,4,6,8 | 412 | 230 | 250 | 160 | 56 | 8 | 140 | 90 | 27 | 10 | 24 | 10 (12) | 7 | 50 | 125 | 215 | 130 | 15 | М8 | 180 | 110 |
| 140 | 115 | М8 | 95 | |||||||||||||||||||
| АИР100S | 2,4 | 424 | 240 | 250 | 160 | 63 | 8 | 160 | 100 | 31 | 12 | 28 | 12 (16) | 7 | 60 | 112 | 215 | 130 | 15 | М8 | 180 | 110 |
| АИР100L | 2,4,6,8 | 444 | 240 | 250 | 160 | 63 | 8 | 160 | 100 | 31 | 12 | 28 | 12 (16) | 7 | 60 | 140 | 215 | 130 | 15 | М8 | 180 | 110 |
| АИР112 | 2,4,6,8 | 568 | 280 | 300 | 70 | 10 | 190 | 112 | 35 | 14 | 32 | 12 | 8 | 80 | 140 | 265 | 15 | 230 | ||||
| АИР132S | 4,6,8 | 555 | 325 | 350 | 89 | 10 | 216 | 132 | 41 | 16 | 38 | 12 | 8 | 80 | 140 | 300 | 19 | 250 | ||||
| АИР132М | 2,4,6,8 | 593 | 325 | 350 | 89 | 10 | 216 | 132 | 41 | 16 | 38 | 12 | 8 | 80 | 178 | 300 | 19 | 250 | ||||
| АИР160S | 2 | 830 | 405 | 350 | 108 | 12 | 254 | 160 | 45 | 20 | 42 | 15 | 8 | 110 | 178 | 300 | 19 | 250 | ||||
| 4,6,8 | 830 | 405 | 350 | 108 | 14 | 254 | 160 | 51,5 | 20 | 48 | 15 | 9 | 110 | 178 | 300 | 19 | 250 | |||||
| АИР160М | 2 | 860 | 405 | 350 | 108 | 12 | 254 | 160 | 45 | 20 | 42 | 15 | 8 | 110 | 210 | 300 | 19 | 250 | ||||
| 4,6,8 | 860 | 405 | 350 | 108 | 14 | 254 | 160 | 51,5 | 20 | 48 | 15 | 9 | 110 | 210 | 300 | 19 | 250 | |||||
| АИР180S | 2 | 860 | 445 | 400 | 121 | 14 | 279 | 180 | 51,5 | 20 | 48 | 15 | 9 | 110 | 203 | 350 | 19 | 300 | ||||
| 4,6,8 | 860 | 445 | 400 | 121 | 16 | 279 | 180 | 59 | 20 | 55 | 15 | 10 | 110 | 203 | 350 | 19 | 300 | |||||
| АИР180М | 2 | 900 | 445 | 400 | 121 | 14 | 279 | 180 | 51,5 | 20 | 48 | 15 | 9 | 110 | 241 | 350 | 19 | 300 | ||||
| 4,6,8 | 900 | 445 | 400 | 121 | 16 | 279 | 180 | 59 | 20 | 55 | 15 | 10 | 110 | 241 | 350 | 19 | 300 | |||||
*Примечание:
(1) - 2081/3081
(2) - 2181/3681
ВАЖНО: указанные размеры являются справочной характеристикой. Производственная группа ЭНЕРАЛ имеет право вносить изменения в конструкцию электродвигателя, в результате чего фактические габаритные и присоединительные размеры могут отличаться от значений в каталоге или на сайте. Данные отличия не влияют на эксплуатационные характеристики оборудования.

