Крановые электродвигатели купить в Екатеринбурге по лучшей цене MTH, MTF (МТФ), 4МТH, МТКН | Eneral
Пн-Пт 08:00 – 16:00 (МСК)
Ваш город:

Крановые электродвигатели

Крановые двигатели играют ключевую роль в обеспечении бесперебойной работы подъемных механизмов. Модели MTH, MTF, 4МТH и МТКН зарекомендовали себя как надежные и долговечные решения. Эти двигатели предназначены для работы в условиях интенсивной нагрузки и обеспечивают высокую производительность. Они широко используются в промышленности, строительстве и складской логистике, где важна точность и устойчивость.


По согласованию с заказчиком крановые электродвигатели могут изготавливаться в монтажном исполнении IM 2001, IM 2002, IM 2003 и IM 2004 (комбинированное исполнение лапы-фланец). Такое исполнение позволяет адаптировать двигатель под конкретные задачи и условия эксплуатации, повышая его универсальность и удобство монтажа.


Гарантия на двигатели составляет 3 года с даты ввода в эксплуатацию, но не более 4 лет с даты продажи при наработке до 13 000 часов.

Декларация соответствия на крановые электродвигатели ENERAL

Печать
Тип ЭДРн, кВтn, об/минКПД, %cosфнапряжение статора, Вток статора, АМm/МнРежим работыток ротора, Анапряжение ротора, Ввес нетто, кг
МТ(F)Н011-6 электродвигатель 1,4 866
об/мин
62,9 0,79 220/380 7.41/4.28 2,3 S3 40% 12,5 118 65
МТ(F)Н012-6 электродвигатель 2,2 908
об/мин
73 0,76 220/380 10.57/6.1 2,3 S3 40% 11,5 144 70
МТ(F)Н111-6 электродвигатель 3,5 908
об/мин
77 0,8 220/380 14.95/8.63 ≥2.3 S3 40% 14,5 185 95
МТ(F)Н112-6 электродвигатель 5,0 915
об/мин
75 0,7 220/380 21.3/12.3 ≥2.3 S3 40% 15,7 210 100
МТ(F)Н132LА-6 электродвигатель 5,5 900
об/мин
76 0,76 220/380 25.1/14.5 2,5 S3 40% 17,1 211 100
МТ(F)Н132LB-6 электродвигатель 7,5 940
об/мин
73 0,87 220/380 31/17.9 2,5 S3 40% 21,7 240 102
МТ(F)Н211-6 электродвигатель 7,5 940
об/мин
79,4 0,8 220/380 31.18/18 2,5 S3 40% 26,5 185 138
МТ(F)Н311-6 электродвигатель 11,0 945
об/мин
82 0,82 220/380 44.7/25.8 2,5 S3 40% 42,0 172 172
МТ(F)Н311-8 электродвигатель 7,5 690
об/мин
80 0,7 220/380 35/20.3 2,5 S3 40% 25,0 205 172
МТ(F)Н312-6 электродвигатель 15,0 962
об/мин
83 0,81 220/380 58.54/33.8 3,73 S3 40% 46,5 218 205
МТ(F)Н312-8 электродвигатель 11,0 700
об/мин
80,9 0,81 220/380 44.6/25.8 2,5 S3 40% 44,0 172 205
МТ(F)Н200LA-6 электродвигатель 22,0 960
об/мин
85 0,78 220/380 57.35/99 2,8 S3 40% 74,5 200 300
МТ(F)Н200LA-8 электродвигатель 15,0 715
об/мин
85 0,76 220/380 61/35 2,8 S3 40% 58,5 178 300
МТ(F)Н200LB-6 электродвигатель 30,0 960
об/мин
88,3 0,83 220/380 108/62 2,8 S3-40% 72,0 273 330
МТ(F)Н200LB-8 электродвигатель 22,0 715
об/мин
87,4 0,82 220/380 46,9/23.34 2,8 S3-40% 59,1 232 330
МТ(F)Н411-6 электродвигатель 22,0 960
об/мин
85 0,78 220/380 87/50.4 2,8 S3 40% 74,5 200 288
МТ(F)Н411-8 электродвигатель 15,0 715
об/мин
85 0,76 220/380 61/35 2,8 S3 40% 58,5 178 288
МТ(F)Н412-6 электродвигатель 30,0 960
об/мин
88 0,82 220/380 107.2/62 2,8 S3 40% 74,4 250 330
МТ(F)Н412-8 электродвигатель 22,0 715
об/мин
86 0,79 220/380 81.2/46.9 2,8 S3 40% 59,1 232 352
4МТМ(Н)225М6 электродвигатель 37,0 995
об/мин
87 0,81 220/380 138/80 3 S3 40% 80,0 295 356
4МТМ(Н)225М8 электродвигатель 30,0 715
об/мин
85 0,72 220/380 128/74 2,9 S3 40% 70,0 275 356
4МТМ(Н)225L6 электродвигатель 55,0 955
об/мин
88 0,81 220/380 202/117 2,9 S3 40% 122,0 285 460
4МТМ(Н)225L8 электродвигатель 37,0 725
об/мин
86 0,74 220/380 156/88 2,9 S3 40% 76,0 305 430
МТ(F)Н511-6 электродвигатель 37,0 995
об/мин
87 0,81 220/380 138/80 2,9 S3 40% 80,0 295 460
МТ(F)Н511-8 электродвигатель 30,0 715
об/мин
85 0,72 220/380 128/74 2,9 S3 40% 70,0 275 500
МТ(F)Н512-8 электродвигатель 37,0 725
об/мин
86 0,74 220/380 134.5/88 2,9 S3 40% 76,0 305 535
4МТМ(Н)280S6 электродвигатель 75,0 955
об/мин
89 0,86 220/380 257.4/149 3,2 S3 40% 180,0 266 650
4МТМ(Н)280L6 электродвигатель 110,0 970
об/мин
91 0,85 220/380 373/216 3,5 S3 40% 168,0 420 750
4МТМ(Н)280S8 электродвигатель 55,0 720
об/мин
89 0,81 220/380 204.5/118 2,9 S3 40% 186,0 190 650
4МТМ(Н)280M8 электродвигатель 75,0 725
об/мин
91 0,8 220/380 270/155 3 S3 40% 188,0 250 710
4МТM(Н)280L8 электродвигатель 90,0 725
об/мин
91 0,8 220/380 324/187 2,9 S3 40% 171,0 335 750
4MТМ(Н)280S10 электродвигатель 45,0 570
об/мин
85,6 0,78 220/380 178/103,8 2,8 S3 40% 165,0 172 650
4МТМ(Н)280М10 электродвигатель 60,0 575
об/мин
88 0,74 220/380 242/140 3,2 S3-40% 162,0 235 710
4МТМ(Н)280L10 электродвигатель 75,0 575
об/мин
89 0,73 220/380 303/175 3 S3-40% 150,0 308 810
МТ(F)Н611-6 электродвигатель 75,0 955
об/мин
89 0,86 220/380 257/149 3,2 S3 40% 180,0 266 665
МТ(F)Н611-10 электродвигатель 45,0 570
об/мин
85,6 0,78 220/380 177/103.8 2,8 S3 40% 165,0 172 665
МТ(F)Н612-10 электродвигатель 60,0 575
об/мин
88 0,74 220/380 242/140 3,2 S3-40% 162,0 235 785
MT(F)H613-6 электродвигатель 110,0 970
об/мин
91 0,85 220/380 373/216 3,5 S3 40% 168,0 420 750
MT(F)H613-10 электродвигатель 75,0 575
об/мин
89 0,73 220/380 306/175 3 S3-40% 150,0 308 840
МТ(F)Н712-10 электродвигатель 132,0 573
об/мин
91,6 0,78 220/380 485/280 2,8 S3-40% 270,0 322 1670
МТ(F)Н711-10 электродвигатель 110,0 575
об/мин
93,7 0,78 220/380 395/210 2,8 S3-40% 276,0 270 1565
MTH400S-8 электродвигатель 132 731
об/мин
92,4 0,8 220/380 471/271 2,8 S3-40% 275,0 310,0 1890
MTH400M-8 электродвигатель 160 732
об/мин
93,4 0,8 220/380 565/324 2,8 S3-40% 268,0 380,0 2120
MTH400L-8 электродвигатель 200 кВт 743
об/мин
95,7 0,8 220/380 686/363 2,8 S3-40% 269,0 447,0 2200
MTH400S-10 электродвигатель 110 кВт 573
об/мин
93,7 0,78 220/380 395/235 2,8 S3-40% 276,0 270,0 1692
MTH400M-10 электродвигатель 132 кВт 573
об/мин
91,6 0,78 220/380 485/280 2,8 S3-40% 270,0 322,0 1888
MTH400L-10 электродвигатель 160 кВт 573
об/мин
91,5 0,78 220/380 589/340 2,8 S3-40% 272,0 405,0 2100
MTK(F)H011-6 электродвигатель 1,4 кВт 866
об/мин
62,9 0,79 220/380 7.41/4.28 2,3 S3 40% === === 58
MTK(F)H012-6 электродвигатель 2,2 кВт 908
об/мин
73 0,76 220/380 10.57/6.1 2,9 S3 40% === === 70
MTК(F)Н111-6 электродвигатель 3,5 кВт 870
об/мин
74 0,8 220/380 16.55/9.6 2,3 S3 40% === === 85
MTК(F)Н112-6 электродвигатель 5,0 кВт 910
об/мин
77 0,75 220/380 14,0/24,2 2,3 S3 40% === === 95
MTК(F)Н132LА-6 электродвигатель 5,5 кВт 900
об/мин
76 0,76 220/380 25.1/14.5 2,5 S3 40% === === 85
MTК(F)Н132LB-6 электродвигатель 7,5 кВт 940
об/мин
73 0,87 220/380 31/17.9 2,5 S3 40% === === 88
MTК(F)Н211-6 электродвигатель 7,5 кВт 940
об/мин
76 0,77 220/380 18/31.17 2,68 S3 40% === === 120
MTК(F)Н311-6 электродвигатель 11,0 кВт 945
об/мин
83 0.78 220/380 44.7/25.8 2,5 S3-40% === === 150
MTК(F)Н311-8 электродвигатель 7,5 кВт 690
об/мин
80 0.70 220/380 25.0/20.3 2,5 S3-40% === === 150
MTК(F)Н312-6 электродвигатель 15,0 кВт 962
об/мин
83 0,81 220/380 58.5/33.8 3,73 S3 40% === === 185
MTК(F)Н312-8 электродвигатель 11,0 кВт 700
об/мин
80,9 0,81 220/380 44.6/25.8 3,17 S3 40% === === 185
MTК(F)Н411-6 электродвигатель 22 кВт 960
об/мин
85 0.78 220/380 87/50.4 2,8 S3-40% === === 250
MTК(F)Н411-8 электродвигатель 15 кВт 715
об/мин
85 0.76 220/380 61/35 2,8 S3-40% === === 250
MTК(F)Н412-6 электродвигатель 30 кВт 960
об/мин
88 0.82 220/380 107.2/62 2,8 S3-40% === === 288
MTК(F)Н412-8 электродвигатель 22 кВт 715
об/мин
86 0.79 220/380 81.2/46.9 2,8 S3-40% === === 288
MTKH200LA-6 электродвигатель 22,0 кВт 960
об/мин
85 0,78 220/380 87/50,4 2,8 S3 40% === === 285
MTKH200LA-8 электродвигатель 15,0 кВт 715
об/мин
85 0,76 220/380 61/35 2,8 S3 40% === === 285
MTKH200LB-6 электродвигатель 30,0 кВт 960
об/мин
88,3 0,83 220/380 107.9/62 2,8 S3-40% === === 310
MTKH200LB-8 электродвигатель 22,0 кВт 715
об/мин
87,4 0,82 220/380 81/46,9 2,8 S3-40% === === 310
4MTKM225M-6 электродвигатель 37,0 кВт 995
об/мин
87 0,81 220/380 138/80 3 S3 40% === === 380
4MTKM225M-8 электродвигатель 30,0 кВт 715
об/мин
85 0,72 220/380 128/74 2,9 S3 40% === === 380
4MTKM225L-6 электродвигатель 55,0 кВт 955
об/мин
88 0,81 220/380 202/117 2,9 S3 40% === === 440
4MTKM225L-8 электродвигатель 37,0 кВт 725
об/мин
86 0,74 220/380 154.8/88 2,9 S3 40% === === 440
MTKH511-6 электродвигатель 37,0 кВт 995
об/мин
87 0,81 220/380 138/80 2,9 S3 40% === === 440
MTKH511-8 электродвигатель 30,0 кВт 715
об/мин
85 0,72 220/380 128.8/74 2,9 S3 40% === === 440
MTKH512-6 электродвигатель 55,0 кВт 955
об/мин
88 0,81 220/380 202/117 2,9 S3 40% === === 456
MTKH512-8 электродвигатель 37,0 кВт 725
об/мин
86 0,74 220/380 152.7/88 2,9 S3 40% === === 456
МТКН611-10 электродвигатель 45,0 кВт 570
об/мин
85,6 0,78 220/380 177/103,8 2,8 S3 40% === === 640
МТКН311-6/16 электродвигатель 3,5/1,1 960/340
об/мин
79.8/46.2 0.78/0.53 220/380 8.5/6.8 3.0/2.7 S3 40% === === 220
МТKН312-6/16 электродвигатель 5/1,8 960/330
об/мин
80.2/54.2 0.79/0.56 220/380 12/9 3.1/2.5 S3 40% === === 240
МТКН411-6/16 электродвигатель 7,5/2,4 950/330
об/мин
81.4/57.2 0.83/0.58 220/380 16.8/11 2.85/2.35 S3 40% === === 270
МТКН412-6/16 электродвигатель 11/3,5 960/330
об/мин
82.1/58.4 0.81/0.62 220/380 25.2/14.6 3.4/2.4 S3 40% === === 300
МТКН412-6/12 электродвигатель 11/4,8 945/470
об/мин
81.1/70.5 0.79/0.55 220/380 26/18.8 2.95/2.2 S3 40% === === 290
МТКН411-4/24 электродвигатель 10/1,2 1395/200
об/мин
79.5/27 0.94/0.54 220/380 20.2/12.6 2.94/2.52 S3 40% === === 270
МТКН412-4/24 электродвигатель 30/1,5 1420/220
об/мин
83.5/28.2 0.86/0.58 220/380 63/14 2.96/2.6 S3 40% === === 300
МТКН225М6/20 электродвигатель 16/3,4 900/240
об/мин
81.9/46.5 0.91/0.44 220/380 34.5/25.8 2.90/2.36 S3 40% === === 360
МТКН225L6/20 электродвигатель 22/4,5 950/260
об/мин
82.5/49.4 0.86/0.47 220/380 47.2/29.5 2.90/2.40 S3 40% === === 450
МТКН225L6/12 электродвигатель 30/15 900/415
об/мин
76.4/64.2 0.89/0.71 220/380 66.8/50 2.20/2.20 S3 40% === === 460
МТКН511-4/24 электродвигатель 22/2,0 1420/200
об/мин
82.8/40.2 0.91/0.42 220/380 44.2/18.1 2.85/2.36 S3 40% === === 400

* Указанная частота вращения (синхронная частота) является справочной характеристикой. Принимая во внимание принцип работы асинхронного электродвигателя, в результате механических потерь номинальная частота вращения всегда ниже синхронной. Данные отличия не влияют на эксплуатационные характеристики оборудования. 


** Указанная масса электродвигателя является справочной характеристикой. Точная масса указана на паспортной табличке электродвигателя. Данные отличия не влияют на эксплуатационные характеристики оборудования.


Печать

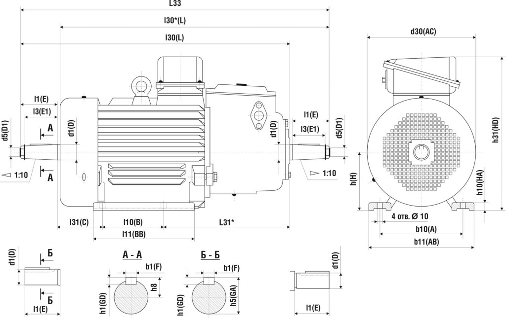
Конструктивное исполнение IM 10...1, 10...2

kran1001.jpg


ТипГабаритные размерыУстановочные и присоединительные размеры
L30 h31 d30 b10 b11 L10 L11 L31 d1 d5 L1 L3 b1 h5 h1 h d10 h10 L31* L33*
L
HD AC A AB B BB C D D1 E E1 F G+GD GD H K
МТ(F)Н011 579 320 240 180 230 150 250 132 28 / 60 / 8 31 7 112 12 20 246 648
МТ(F)Н012 616 320 245 180 230 190 250 127 28 / 60 / 8 31 7 112 12 20 241 678
МТ(F)Н111 650 350 270 220 280 190 305 140 35 / 80 / 10 38 8 132 15 25 243 733
МТ(F)Н112 690 350 270 220 280 235 305 135 35 / 80 / 10 38 8 132 15 25 243 773
МТ(F)Н132LB 675 350 270 216 260 203 255 89 42 / 110 / 12 45 8 132 12 25 366 788
МТ(F)Н132LА 675 350 270 216 260 203 255 89 42 / 110 / 12 45 8 132 12 25 366 788
МТ(F)Н211 763 415 325 245 305 243 345 150 40 / 110 / 12 43 8 160 15 25 262 875
МТ(F)Н311 772 450 350 280 355 260 335 155 50 / 110 / 14 53.5 9 180 24 30 250 885
МТ(F)Н312 837 450 360 280 355 320 400 170 50 / 110 / 14 53.5 9 180 24 30 240 950
МТ(F)Н200LA 975 500 395 318 400 305 400 133 65/конус/ M42*3 140 105 16 33.9 10 200 19 25 400 1118
МТ(F)Н200LB 975 500 395 318 400 305 400 133 65/конус/ M42*3 140 105 16 33.9 10 200 19 25 400 1118
МТ(F)Н411 927 540 422 330 412 335 425 175 65 /конус/ M42*3 140 105 16 33.9 10 225 28 28 272 1062
МТ(F)Н412 1047 540 422 330 412 420 529 165 65 /конус/ M42*3 140 105 16 33.9 10 225 28 28 325 1189
4МТМ(H)225М 1050 540 422 356 442 311 410 149 70 /конус/ M48*3 140 105 18 36.4 11 225 19 28 450 1190
4МТМ(H)225L 1200 540 422 356 442 356 556 149 70 /конус/ M48*3 140 105 18 36.4 11 225 19 28 555 1340
МТ(F)Н511 1195 585 470 380 480 310 530 251 70 /конус/ M48*3 140 105 18 36.4 11 250 35 30 496 1337
МТ(F)Н512 1215 585 470 380 480 390 530 271 70 /конус/ M48*3 140 105 18 36.4 11 250 35 30 414 1357
4MTM(H)280S 1259 635 516 457 565 368 525 190 90 /конус/ M64*4 170 130 22 46.75 14 280 24 32 540 1438
4MTM(H)280M 1305 635 516 457 565 419 575 190 90 /конус/ M64*4 170 130 22 46.75 14 280 24 32 540 1489
4MTM(H)280L 1395 635 516 457 565 457 590 190 90 /конус/ M64*4 170 130 22 46.75 14 280 24 32 592 1579
МТ(F)Н611 1265 665 535 457 640 345 510 256 90 /конус/ M64*4 170 130 22 46.75 14 315 42 35 537 1438
МТ(F)Н612 1315 665 535 520 640 445 600 256 90 /конус/ M64*4 170 130 22 46.75 14 315 42 40 448 1435
МТ(F)Н613 1405 665 535 520 640 540 690 256 90 /конус/ M64*4 170 130 22 46.75 14 315 42 40 439 1579
MTH400S 1436 925 840 686 845 560 688 280 110/конус/ M80*4 210 165 25 55.9 14 400 35 55 475 1665
MTH400M 1526 920 840 686 850 630 760 280 110/конус/ M80*4 210 165 25 55.9 14 400 35 55 485 1736
MTH400L 1590 925 850 686 845 710 840 280 110/конус/ M80*4 210 165 25 55.9 14 400 35 55 475 1816
МТ(F)Н712-10 1493 1025 840 640 750 510 740 323 110/конус/ M80*4 210 165 25 55.9 14 400 48 45 462 1715
МТ(F)Н711-10 1423 1025 840 640 750 440 590 323 110/конус/ М80*4 210 165 25 55.9 14 400 48 45 323 1645
МТК(F)H011-6 423 320 240 180 230 150 250 132 28 / 60 / 8 31 7 112 12 20 81 505
МТК(F)H012-6 455 320 240 180 230 190 250 127 28 / 60 / 8 31 7 112 12 20 76 513
MTK(F)H111-6 495 350 270 220 280 190 305 140 35 / 80 / 10 38 8 132 15 25 102 592
MTK(F)H112-6 502 350 270 220 280 235 305 135 35 / 80 / 10 38 8 132 15 25 62 592
MTK(F)H211-6 608 415 325 245 305 243 345 150 40 / 110 / 12 43 8 160 15 25 107 720
MTК(F)Н311 590 450 360 280 355 260 335 155 50 / 110 / 14 53,5 9 180 24 30 110 745
MTK(F)H312 655 450 360 280 355 320 400 170 50 / 110 / 14 53,5 9 180 24 30 100 810
MTК(F)Н411 730 540 422 330 412 335 425 175 65 /конус/ M42*3 140 105 16 33,9 10 225 28 28 136 910
MTК(F)Н412 852 540 422 330 412 420 529 165 65 /конус/ M42*3 140 105 16 33,9 10 225 28 28 133 995
МТКН132LA,LB 525 350 270 216 260 203 255 89 42 / 110 / 12 45 8 132 12 25 366 577
МТКН200LA/LB 780 510 405 318 400 305 400 133 65 /конус/ M42*3 140 105 16 33.9 10 200 19 25 923
МТКН225М 850 540 422 356 442 311 556 149 70 /конус/ М48*3 140 105 18 36,4 11 225 19 28 885
МТКН225L 1000 540 430 356 442 356 556 149 70 /конус/ М48*3 140 105 18 36,4 11 225 19 28 1148
МТКН511 900 585 470 380 485 310 535 251 70 /конус/ М48*3 140 105 18 36,4 11 250 35 30 199 1070
МТКН512-6 920 585 470 380 485 390 535 271 70 /конус/ M48*3 140 105 18 36,4 11 250 35 30 119 1085
МТКН512-8 920 585 470 380 485 390 535 271 70 /конус/ M48*3 140 105 18 36,4 11 250 35 30 119 1085
МТКН311-6/16 590 450 360 280 355 260 335 155 50 / 110 / 14 53,5 9 180 24 30 110 745
МТKН312-6/16 655 450 360 280 355 320 400 170 50 / 110 / 14 53,5 9 180 24 30 100 810
МТКН411-4/24 730 540 422 330 412 335 425 175 65 /конус/ M42*3 140 105 16 33,9 10 225 28 28 136 910
МТКН411-6/16 730 540 422 330 412 335 425 175 65 /конус/ M42*3 140 105 16 33,9 10 225 28 28 136 910
МТКН412-4/24 852 540 422 330 412 420 529 165 65 /конус/ M42*3 140 105 16 33,9 10 225 28 28 133 998
МТКН412-6/12 852 540 422 330 412 420 529 165 65 /конус/ M42*3 140 105 16 33,9 10 225 28 28 133 998
МТКН412-6/16 852 540 422 330 412 420 529 165 65 /конус/ M42*3 140 105 16 33,9 10 225 28 28 133 998
МТКН225М6/20 850 540 430 356 442 311 556 149 70 /конус/ М48*3 140 105 18 36,4 11 225 19 28
МТКН225L6/20 1000 540 430 356 442 356 556 149 70 /конус/ М48*3 140 105 18 36,4 11 225 19 28
МТКН225L6/12 1000 540 430 356 442 356 556 149 70 /конус/ М48*3 140 105 18 36,4 11 225 19 28
МТКН511-4/24 935 585 470 380 480 310 530 251 70 /конус/ М48*3 140 105 18 36,4 11 250 35 30




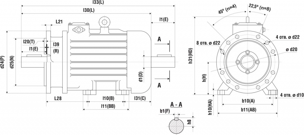
Конструктивное исполнение IM 20...1, 20...2

kran2001.jpg



ТипГабаритные размерыУстановочные и присоединительные размеры
L30* L33* h31 d24 b10 и11 L10 L11 L28 L31 d1 h5 L1 h1 b1 h d10 d25 d20 L20 d22 h10 L21
L HD P A AB B BB C G+GD E GD F H K N M T S
МТ(F)Н011 579 678 320 280 180 230 150 250 276 132 28 31 60 7 8 112 12 215 255 4 4*14 20 14
МТ(F)Н012 616 678 320 280 180 230 190 250 241 127 28 31 60 7 8 112 12 215 255 4 4*14 20 14
МТ(F)Н111 650 773 350 330 220 280 190 305 269 140 35 38 80 8 10 132 15 250 300 4 4*18 25 14
МТ(F)Н112 690 773 350 330 220 280 235 305 243 135 35 38 80 8 10 132 15 250 300 4 4*18 25 14
МТ(F)Н132LB 675 788 350 350 216 280 203 370 318 89 42 45 110 8 12 132 12 250 300 4 4*19 25 14
МТ(F)Н132LА 675 788 350 350 216 280 203 370 318 89 42 45 110 8 12 132 12 250 300 4 4*19 25 14
МТ(F)Н211 763 875 415 330 245 305 243 345 262 150 40 43 110 8 12 160 15 250 300 5 4*18 25 18
МТ(F)Н311 772 885 450 350 280 355 260 355 250 155 50 53.5 110 9 14 180 24 250 300 5 4*18 30 18
МТ(F)Н312 837 950 450 350 280 355 320 400 240 170 50 53.5 110 9 14 180 24 250 300 5 4*18 30 18
МТ(F)Н411 927 1070 540 400 330 412 335 425 280 175 65
 /конус/
33.9 140 10 16 225 28 300 350 5 8*18 28 20
МТ(F)Н412 1047 1189 540 400 330 412 420 529 330 165 65
 /конус/
33.9 140 10 16 225 28 300 350 5 8*18 28 20
4МТМ(H)225М 1050 1190 540 450 356 442 311 410 450 149 70
 /конус/
36.4 140 11 18 225 19 350 400 5 8*18 28 20
4МТМ(H)225L 1200 1340 540 450 356 442 356 556 450 149 70
 /конус/
36.4 140 11 18 225 19 350 400 5 8*18 28 20
МТ(F)Н511-8 1195 1337 585 450 380 480 310 530 474 251 70
 /конус/
36.4 140 11 18 250 35 350 400 5 8*18 30 22
МТ(F)Н512-8 1215 1357 585 450 380 480 390 530 394 271 70
 /конус/
36.4 140 11 18 250 35 350 400 5 8*18 30 22
МТК(F)H011-6 423 505 320 280 180 230 150 250 111 132 28 31 60 7 8 112 12 215 255 4 4*14 20 14
МТК(F)H012-6 455 513 320 280 180 230 190 250 76 127 28 31 60 7 8 112 12 215 255 4 4*14 20 14
MTK(F)H111-6 495 592 350 330 220 280 190 305 135 140 35 38 80 8 10 132 15 250 300 4 4*18 25 14
MTK(F)H112-6 502 592 350 330 220 280 235 305 95 135 35 38 80 8 10 132 15 250 300 4 4*18 25 14
MTK(F)H211-6 608 720 415 330 245 305 243 345 112 150 40 43 110 8 12 160 15 250 300 5 4*18 25 18
MTК(F)Н311 590 745 450 350 280 355 260 412 89 155 50 53,5 110 9 14 180 24 250 300 5 4*18 30 18
MTK(F)H312 655 810 450 350 280 355 320 412 79 170 50 53,5 110 9 14 180 24 250 300 5 4*18 30 18
MTК(F)Н411 730 910 540 400 330 412 335 529 114 175 65
/конус/
33,9 140 10 16 225 28 300 350 5 8*18 28 20
MTК(F)Н412 852 995 540 400 330 412 420 529 162 165 65
/конус/
33,9 140 10 16 225 28 300 350 5 8*18 28 20
MTK(F)H132LA/LB 525 577 350 350 216 280 203 370 127 89 42 45 110 8 12 132 12 250 300 4 4*19 25 14


ВАЖНО: указанные размеры являются справочной характеристикой. Производственная группа ЭНЕРАЛ имеет право вносить изменения в конструкцию электродвигателя, в результате чего фактические габаритные и присоединительные размеры могут отличаться от значений в каталоге или на сайте. Данные отличия не влияют на эксплуатационные характеристики оборудования.


Печать

Монтажное исполнение Условное обозначение крановые.png


Монтажное исполнение Крановые.png

Штриховка обозначает опорную сторону.

В зависимости от габарита электродвигателя некоторые монтажные исполнения могут быть недоступны.
Возможно производство электродвигателей в других монтажных исполнениях, не указанных в таблице.
 

Печать

Электродвигатели асинхронные трехфазные изготавливаются на номинальные напряжения: 380, 660, 220/380, 380/660В при частоте 50 Гц по ГОСТ IEC 60034-1-2014.

Возможно изготовление на другие номинальные напряжения и на частоту 60Гц, по согласованию с заказчиком.

Однофазные двигатели предназначены для работы от сети переменного тока напряжением 220 В частотой 50 Гц.


Печать

Степень защиты обозначается IP…по ГОСТ IEC 60034-5-2011.

 stepen_zashiti.jpg

 Для примера обозначение IP55 это электродвигатель, защищенный от пыли и водяных струй со всех направлений.

Печать

Электродвигатели общепромышленного назначения могут работать в различных режимах в соответствии с ГОСТ IEC 60034-1-2014 и обозначается S…(1, 2, 3, 4, 5, 6, 7, 8), где:

S1 – продолжительный режим работы

S2 – кратковременный режим работы

S3 – периодический повторно-кратковременный режим работы

S4 – периодический повторно-кратковременный режим работы с влиянием пусковых процессов

S5 – периодический повторно-кратковременный режим работы с влиянием пусковых процессов и электрическим торможением

S6 – перемежающийся режим работы

S7 – периодический перемежающийся режим работы с влиянием пусковых процессов и электрическим торможением

S8 – периодический перемежающийся режим работы с периодически меняющейся частотой вращения

Печать

Двигатели могут использоваться в макроклиматических районах с климатом в условиях определяемых категориями размещения по ГОСТ 15150-69.

 

U2.jpg
 

Климатические факторы

Климатическое исполнение Категория размещения Верхнее значение рабочей температуры, °С Нижнее значение рабочей температуры,°С Максимальное значение относительной влажности, %
У 1,2 +40 -45 100 при 25°С
У 3 +40 -45 98 при 25°С
УХЛ 4 +35 +1 80 при 25°С
Т 2 +50 -10 100 при 25°С
ХЛ, УХЛ 1,2 +40 -60 100 при 25°С
Печать

Электродвигатели с нормальным КПД и электродвигатели с повышенным КПД (энергосберегающие), и соответственно обозначение класса энергетической эффективности по международному стандарту IEC 60034-30:

IE1 - "стандартный" класс КПД;

IE2 - "повышенный" класс КПД;

IE3 - "премиум" класс КПД;

IE4 - "суперпремиум" класс КПД.

Печать

Надёжность и мощь: крановые двигатели MTH, MTF, 4МТH и МТКН

Крановые двигатели играют ключевую роль в обеспечении бесперебойной работы подъемных механизмов. Модели MTH, MTF, 4МТH и МТКН зарекомендовали себя как надежные и долговечные решения. Эти двигатели предназначены для работы в условиях интенсивной нагрузки и обеспечивают высокую производительность. Они широко используются в промышленности, строительстве и складской логистике, где важна точность и устойчивость.


Двигатели MTH отличаются компактностью, что делает их идеальными для установки в ограниченных пространствах. При этом они сохраняют высокую мощность и устойчивость к перегреву, что особенно важно при длительной эксплуатации. Точные технические характеристики этих моделей позволяют минимизировать энергозатраты и снизить эксплуатационные расходы.


Серия MTF создавалась для работы в особо сложных условиях, таких как низкие или высокие температуры. Корпус двигателя устойчив к коррозии, а конструкция защищает от пыли и влаги, обеспечивая долгий срок службы. Эти двигатели находят применение на открытых площадках и в условиях высокой влажности.


Модель 4МТH это сочетание высокой производительности и низкого уровня шума. Такие двигатели подходят для предприятий, где важно обеспечить комфортное рабочее пространство для сотрудников. Они отличаются плавным ходом и повышенной точностью в управлении движением грузов.


Двигатели МТКН созданы для работы с большими грузами и рассчитаны на высокие нагрузки. Усиленная конструкция позволяет выдерживать пиковые нагрузки без снижения производительности. Их часто выбирают для металлургических и горнодобывающих предприятий, где требуется надежность и мощь.


Помимо высоких эксплуатационных характеристик, двигатели этих серий просты в обслуживании и ремонте. Это достигается за счёт модульной конструкции и доступности комплектующих на рынке. Техническое обслуживание не требует сложного оборудования, что снижает затраты и ускоряет ремонт.


Использование двигателей MTH, MTF, 4МТH и МТКН обеспечивает надежную работу подъемного оборудования в любых условиях. Они сочетают в себе передовые технологии, высокую мощность и долговечность, делая их идеальным выбором для профессионалов.

Оставьте заявку и мы свяжемся с вами

CAPTCHA