Плоскоцилиндрические мотор-редукторы F, FA
Цилиндрические насадные редукторы типа FC многоступенчатые – в их составе одна или несколько цилиндрических передач.
Корпус выполнен из чугуна. Редукторы поставляются уже заполненными минеральным трансмиссионным маслом класса вязкости ISO VG 460.
Конструктивно редукторы являются самостоятельным узлом. Мотор-редуктор представляет собой редуктор, агрегатированный с электродвигателем. Для изменения скорости вращения выходного вала мотор-редуктор может агрегатироваться с вариатором или эксплуатироваться с преобразователем частоты.
Редукторы ENERAL типа FC изготовлены в соответствии с ГОСТ 31592-2012. Климатическое исполнение: У, УХЛ и Т по ГОСТ 15150-69.
Подробнее о преимуществах цилиндрических редукторов ENERAL
Гарантия - 12 месяцев с даты ввода в эксплуатацию, но не более 18 месяцев с даты продажи.
|
Вариант |
FC.. | на лапах |
|---|---|---|
| FCA..B | на лапах / с пустотелым валом | |
| FCV..B | на лапах / многошпоночный с пустотелым валом | |
| FCH..B | на лапах / с пустотелым валом с усадочным диском | |
| FCF.. | B5 фланцевое | |
| FCAF.. | B5 фланцевое с пустотелым валом | |
| FCVF.. | B5 фланцевое / многошпоночный с пустотелым валом | |
| FCHF.. | B5 фланцевое / с пустотелым валом с усадочным диском | |
| FCA.. | с пустотелым валом | |
| FCV.. | многошпоночный с пустотелым валом | |
| FCH.. | с пустотелым валом и с усадочным диском | |
| FCAZ.. | B14 фланцевое с пустотелым валом | |
| FCVZ.. | B14 фланцевое / многошпоночный с пустотелым валом | |
| FCHZ.. | B14 фланцевое / с пустотелым валом и с усадочным диском | |
| FC..RC.. | Объединенный тип исполнения | |
|
Габарит |
FC.. | 27, 37, 47, 57, 67, 77, 87, 97, 107, 127, 157 |
| FC..RC.. | 27/17, 37/17, 47/17, 57/37, 67/37, 77/37, 87/57, 97/57, 107/77, 127/77, 127/87, 157/97 | |
|
Передаточное |
FC.. | 3.77, ... ,281.71 |
| FC..RC.. | 87, ... ,31434 | |
|
Положение клеммной |
R(0°C) | |
| B(90°C) | ||
| L(180°C) | ||
| T(270°C) | ||
Пункты 1 - 6 относятся к электродвигателю
| Габарит |
Тип входного вала |
Передаточное число |
G1 | K1 | D1 | L1 | L2 | L3 | Т1 | U1 | М |
|---|---|---|---|---|---|---|---|---|---|---|---|
| 27 | AD1 | 33.83-140.74 | 120 | 102 | 16 | 40 | 32 | 4 | 18 | 5 | М5 |
| AD2 | 4.16-29.56 | 130 | 19 | 40 | 32 | 4 | 21.5 | 6 | М6 | ||
| 37 | AD1 | 51.70-128.51 | 102 | 16 | 40 | 32 | 4 | 18 | 5 | М5 | |
| AD2 | 3.77-47.02 | 130 | 19 | 40 | 32 | 4 | 21.5 | 6 | М6 | ||
| 47 | AD1 | 68.09-190.76 | 102 | 16 | 40 | 32 | 4 | 18 | 5 | М5 | |
| AD2 | 4.99-65.36 | 130 | 19 | 40 | 32 | 4 | 21.5 | 6 | М6 | ||
| 57 | AD2 | 24.96-199.70 | 160 | 123 | 19 | 40 | 32 | 4 | 21.5 | 6 | М6 |
| AD3 | 5.18-21.17 | 159 | 24 | 50 | 40 | 5 | 27 | 8 | М8 | ||
| 67 | AD2 | 36.30-228.99 | 123 | 19 | 40 | 32 | 4 | 21.5 | 6 | М6 | |
| AD3 | 3.97-32.08 | 159 | 24 | 50 | 40 | 5 | 27 | 8 | М8 | ||
| 77 | AD2 | 48.37-281.71 | 200 | 116 | 19 | 40 | 32 | 4 | 21.5 | 6 | М6 |
| AD3 | 28.75-43.58 | 151 | 24 | 50 | 40 | 5 | 27 | 8 | М8 | ||
| AD4 | 4.28-25.50 | 224 | 38 | 80 | 70 | 5 | 41 | 10 | М12 | ||
| 87 | AD2 | 76.39-270.68 | 250 | 111 | 19 | 40 | 32 | 4 | 21.5 | 6 | М6 |
| AD3 | 39.30-68.40 | 156 | 28 | 60 | 50 | 5 | 31 | 8 | М10 | ||
| AD4 | 28.78-35.19 | 219 | 38 | 80 | 70 | 5 | 41 | 10 | М12 | ||
| AD5 | 4.12-26.50 | 292 | 42 | 110 | 70 | 10 | 45 | 12 | М16 | ||
| 97 | AD3 | 72.29-276.77 | 300 | 151 | 28 | 60 | 50 | 5 | 31 | 8 | М10 |
| AD4 | 36.64-65.47 | 214 | 38 | 80 | 70 | 5 | 41 | 10 | М12 | ||
| AD5 | 15.06-33.91 | 278 | 42 | 110 | 70 | 10 | 45 | 12 | М16 | ||
| AD6 | 4.57-12.77 | 327 | 48 | 110 | 80 | 10 | 51.5 | 14 | М16 | ||
| 107 | AD3 | 117.94-254.40 | 350 | 145 | 28 | 60 | 50 | 5 | 31 | 8 | М10 |
| AD4 | 50.73-101.38 | 208 | 38 | 80 | 70 | 5 | 41 | 10 | М12 | ||
| AD5 | 31.8-43.03 | 218 | 42 | 110 | 70 | 10 | 45 | 12 | М16 | ||
| AD6 | 6.22-33.79 | 321 | 48 | 110 | 80 | 10 | 51.5 | 14 | М20 | ||
| 127 | AD4 | 75.41-170.83 | 450 | 193 | 38 | 80 | 70 | 5 | 41 | 10 | М20 |
| AD5 | 42.15-70.07 | 266 | 42 | 110 | 70 | 10 | 45 | 12 | М12 | ||
| AD6 | 24.57-26.86, 37.28 | 306 | 48 | 110 | 80 | 10 | 51.5 | 14 | М16 | ||
| AD7 | 25.30-31.33 | 300 | 55 | 110 | 90 | 10 | 59 | 16 | М16 | ||
| AD8 | 4.68-21.38 | 383 | 70 | 140 | 110 | 15 | 74.5 | 20 | М20 | ||
| 157 | AD5 | 60.25-267.43, 53.55 | 550 | 258 | 42 | 110 | 70 | 10 | 45 | 12 | М16 |
| AD6 | 35.75-43.94, 52.24 | 298 | 48 | 110 | 80 | 10 | 51.5 | 14 | М16 | ||
| AD7 | 32.55-46.68 | 292 | 55 | 110 | 90 | 10 | 59 | 16 | М20 | ||
| AD8 | 11.92-28.6, 27.60 | 374 | 70 | 140 | 110 | 15 | 74.5 | 20 | М20 |
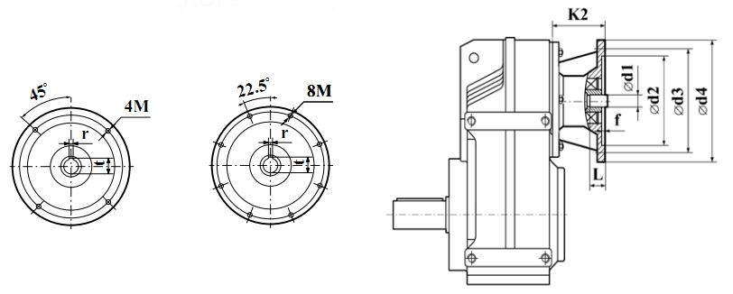
| Габарит | Тип фланца | G2 | K2 | d1 | d2 | d3 | d4 | f | r | t | L | M |
|---|---|---|---|---|---|---|---|---|---|---|---|---|
| 27/37/47 | IEC63B5 | 120 | 63 | 11 | 95 | 115 | 140 | 5 | 4 | 12.8 | 23 | 10 |
| IEC71B5 | 63 | 14 | 110 | 130 | 160 | 5 | 5 | 16.3 | 30 | 10 | ||
| IEC80B5 | 85 | 19 | 130 | 165 | 200 | 5 | 6 | 21.8 | 40 | 12 | ||
| IEC90B5 | 85 | 24 | 130 | 165 | 200 | 5 | 8 | 27.3 | 50 | 12 | ||
| 57/67 | IEC63B5 | 160 | 61 | 11 | 95 | 115 | 140 | 5 | 4 | 12.8 | 23 | 10 |
| IEC71B5 | 61 | 14 | 110 | 130 | 160 | 5 | 5 | 16.3 | 30 | 10 | ||
| IEC80B5 | 90 | 19 | 130 | 165 | 200 | 5 | 6 | 21.8 | 40 | 12 | ||
| IEC90B5 | 90 | 24 | 130 | 165 | 200 | 5 | 8 | 27.3 | 50 | 12 | ||
| IEC100/112B5 | 88 | 28 | 180 | 215 | 250 | 5 | 8 | 31.3 | 60 | 15 | ||
| 77 | IEC63B5 | 200 | 62 | 11 | 95 | 115 | 140 | 5 | 4 | 12.8 | 23 | 10 |
| IEC71B5 | 62 | 14 | 110 | 130 | 160 | 5 | 5 | 16.3 | 30 | 10 | ||
| IEC80B5 | 80 | 19 | 130 | 165 | 200 | 5 | 6 | 21.8 | 40 | 12 | ||
| IEC90B5 | 80 | 24 | 130 | 165 | 200 | 5 | 8 | 27.3 | 50 | 12 | ||
| IEC100/112B5 | 86 | 28 | 180 | 215 | 250 | 5 | 8 | 31.3 | 60 | 15 | ||
| IEC132B5 | 108 | 38 | 230 | 265 | 300 | 5 | 10 | 41.3 | 80 | 15 | ||
| 87 | IEC80B5 | 250 | 85 | 19 | 130 | 165 | 200 | 5 | 6 | 21.8 | 40 | 12 |
| IEC90B5 | 85 | 24 | 130 | 165 | 200 | 5 | 8 | 27.3 | 50 | 12 | ||
| IEC100/112B5 | 92 | 28 | 180 | 215 | 250 | 5 | 8 | 31.3 | 60 | 15 | ||
| IEC132B5 | 128 | 38 | 230 | 265 | 300 | 5 | 10 | 41.3 | 80 | 15 | ||
| IEC160B5 | 150 | 42 | 250 | 300 | 350 | 7 | 12 | 45.3 | 110 | 19 | ||
| IEC180B5 | 150 | 48 | 250 | 300 | 350 | 7 | 14 | 51.8 | 110 | 19 | ||
| 97 | IEC100/112B5 | 300 | 100 | 28 | 180 | 215 | 250 | 5 | 8 | 31.3 | 60 | 15 |
| IEC132B5 | 120 | 38 | 230 | 265 | 300 | 5 | 10 | 41.3 | 80 | 15 | ||
| IEC160B5 | 150 | 42 | 250 | 300 | 350 | 7 | 12 | 45.3 | 110 | 19 | ||
| IEC180B5 | 150 | 48 | 250 | 300 | 350 | 7 | 14 | 51.8 | 110 | 19 | ||
| IEC200B5 | 150 | 55 | 300 | 350 | 400 | 8 | 16 | 59.3 | 110 | 19 | ||
| IEC225B5 | 180 | 60 | 350 | 400 | 450 | 8 | 18 | 64.4 | 140 | 19 | ||
| 107 | IEC100/112B5 | 350 | 80 | 28 | 180 | 215 | 250 | 5 | 8 | 31.3 | 60 | 15 |
| IEC132B5 | 119 | 38 | 230 | 265 | 300 | 5 | 10 | 41.3 | 80 | 15 | ||
| IEC160B5 | 150 | 42 | 250 | 300 | 350 | 7 | 12 | 45.3 | 110 | 19 | ||
| IEC180B5 | 150 | 48 | 250 | 300 | 350 | 7 | 14 | 51.8 | 110 | 19 | ||
| IEC200B5 | 170 | 55 | 300 | 350 | 400 | 8 | 16 | 59.3 | 110 | 19 | ||
| IEC225B5 | 200 | 60 | 350 | 400 | 450 | 8 | 18 | 64.4 | 140 | 19 | ||
| 127 | IEC132B5 | 450 | 123 | 38 | 230 | 265 | 300 | 5 | 10 | 41.3 | 80 | 15 |
| IEC160B5 | 206 | 42 | 250 | 300 | 350 | 7 | 12 | 45.3 | 110 | 19 | ||
| IEC180B5 | 206 | 48 | 250 | 300 | 350 | 7 | 14 | 51.8 | 110 | 19 | ||
| IEC200B5 | 206 | 55 | 300 | 350 | 400 | 8 | 16 | 59.3 | 110 | 19 | ||
| IEC225B5 | 197 | 60 | 350 | 400 | 450 | 8 | 18 | 64.4 | 140 | 19 | ||
| IEC250B5 | 220 | 65 | 450 | 500 | 550 | 10 | 18 | 69.4 | 140 | 19 | ||
| IEC280B5 | 220 | 75 | 450 | 500 | 550 | 10 | 20 | 79.9 | 140 | 19 | ||
| 157 | IEC160B5 | 550 | 190 | 42 | 250 | 300 | 350 | 7 | 12 | 45.3 | 110 | 19 |
| IEC180B5 | 190 | 48 | 250 | 300 | 350 | 7 | 14 | 51.8 | 110 | 19 | ||
| IEC200B5 | 190 | 55 | 300 | 350 | 400 | 8 | 16 | 59.3 | 110 | 19 | ||
| IEC225B5 | 220 | 60 | 350 | 400 | 450 | 8 | 18 | 64.4 | 140 | 19 | ||
| IEC250B5 | 220 | 65 | 450 | 500 | 550 | 10 | 18 | 69.4 | 140 | 19 | ||
| IEC280B5 | 220 | 75 | 450 | 500 | 550 | 10 | 20 | 79.9 | 140 | 19 |
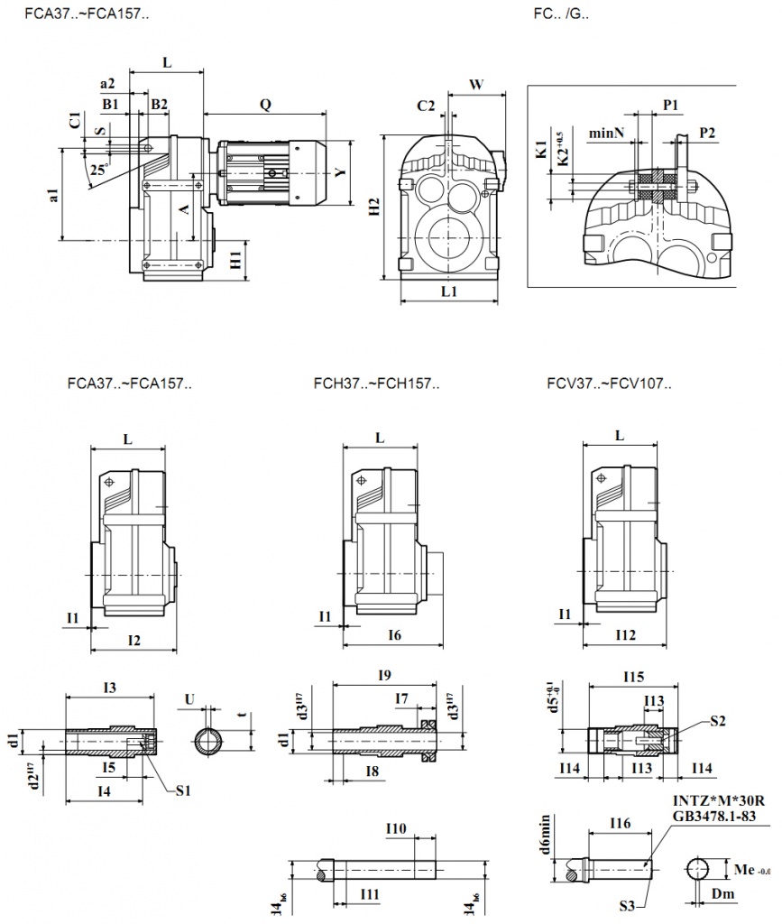
Монтажное исполнение для FC
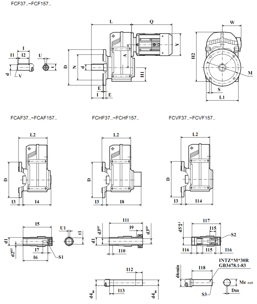
Монтажное исполнение для FCF

%20FC37..-FC157...png)
%20FC37,%2047,%2057,%2067,%2077,%2087....png)
| Размер | А | а |
В С |
D Е |
Н1 Н2 |
L L1 |
М N |
S1 S2 |
Размер выходного вала | |||||
|---|---|---|---|---|---|---|---|---|---|---|---|---|---|---|
| d | I |
I1 I2 |
u | t | V | |||||||||
| FC37 | 112 | 31 |
77 115 |
95 72.5 |
76 252 |
160 110 |
165 135 |
М8 М8 |
25k6 | 50 |
5 40 |
8 | 28 | M10 |
| FC47 | 128.1 | 43 |
93 145 |
109 91 |
77 269 |
193 133 |
180 165 |
М8 М10 |
30k6 | 60 |
3.5 50 |
8 | 33 | M10 |
| FC57 | 136 | 55 |
102 170 |
126 104.5 |
93 317 |
221 150 |
200 195 |
М12 М12 |
35k6 | 70 |
7 56 |
10 | 38 | M12 |
| FC67 | 159.5 | 60 |
112 190 |
131 118.5 |
97 343 |
242 161 |
212 215 |
М12 М12 |
40k6 | 80 |
5 70 |
12 | 43 | M16 |
| FC77 | 200 | 70 |
140 240 |
165 137.5 |
121 426 |
294 193 |
270 275 |
М12 М16 |
50k6 | 100 |
10 80 |
14 | 53.5 | M16 |
| FC87 | 246.7 | 100 |
165 310 |
195 163 |
152 531 |
344 224 |
330 350 |
М16 М16 |
60m6 | 120 |
5 110 |
18 | 64 | M20 |
| FC97 | 285 | 120 |
205 350 |
240 190.5 |
178 623 |
416 274 |
400 400 |
М16 М20 |
70m6 | 140 |
7.5 125 |
20 | 74.5 | M20 |
| FC107 | 332.4 | 125 |
220 400 |
260 241.5 |
200 717 |
484 312 |
450 460 |
- М24 |
90m6 | 170 |
5 160 |
25 | 95 | M24 |
| FC127 | 382.6 | 142 |
270 450 |
316 291 |
236 856 |
585 373 |
530 520 |
- М30 |
110m6 | 210 |
15 180 |
28 | 116 | M24 |
| FC157 | 447 | 170 |
310 540 |
364 325 |
286 1021 |
662 455 |
660 620 |
- М36 |
120m6 | 210 |
5 200 |
32 | 127 | M24 |
|
Размер |
Размер выходного вала | |||||||||||
|---|---|---|---|---|---|---|---|---|---|---|---|---|
| FCA..B | FCH..B | FCV..B | ||||||||||
|
I3 I4 I5 |
d1 d2 |
I6 I7 I8 |
t1 U1 S3 |
d3 d4 |
I9 I10 I11 |
I12 I13 I14 |
d5 d6 |
I15 I16 I17 |
I18 I19 |
S4 S5 |
Z*M Me Dm |
|
| 37 |
2.5 22.5 123 |
45 30 |
120 105 17 |
33.3 8 М10*25 |
30 30 |
155 31 20 |
146 36 25 |
37 42 |
122 25 18 |
120 85 |
M10*30 M10 |
22*1.25 33.03 2.75 |
| 47 |
3 31 153 |
50 35 |
150 132 22 |
38.3 10 М12*30 |
35 35 |
184 32 20 |
177 37 25 |
37 42 |
152 32 18 |
150 115 |
M10*30 M10 |
16*2 38.92 4 |
| 57 |
3 33.5 170 |
55 40 |
166 142 29 |
43.3 12 М16*40 |
40 40 |
200 26 20 |
195 31 25 |
37 42 |
168 32 18 |
166 130 |
M10*30 M10 |
16*2 38.92 4 |
| 67 |
3.5 37.5 184 |
55 40 |
180 156 29 |
43.3 12 М16*40 |
40 40 |
215.5 38 20 |
208 43 25 |
47 52 |
180 42 25 |
180 130 |
M16*50 M16 |
21*2 48.85 4 |
| 77 |
4 36.5 213 |
70 50 |
210 183 32 |
53.8 14 М16*46 |
50 50 |
249 36 30 |
241 41 35 |
55 62 |
210 52 23 |
210 160 |
M16*50 M16 |
24*2 54.13 4 |
| 87 |
4 43 243 |
85 60 |
240 210 36 |
64.4 18 М20*50 |
65 65 |
291 41 40 |
281 46 45 |
72 82 |
240 62 25 |
240 180 |
M20*60 M20 |
31*2 68.96 4 |
| 97 |
4 48.5 303 |
95 70 |
300 270 34 |
74.9 20 М20*50 |
75 75 |
357 55 50 |
345 60 55 |
72 90 |
300 72 25 |
300 240 |
M20*60 M20 |
34*2 74.15 4 |
| 107 |
2.5 69.5 353 |
118 90 |
350 313 40 |
95.4 25 М24*60 |
95 95 |
420 65 60 |
405 75 70 |
90 105 |
353 89 26 |
350 290 |
M20*60 M20 |
27*3 90.99 4 |
| 127 |
2.5 79 413 |
135 100 |
410 373 38 |
106.4 28 М24*60 |
105 105 |
502 85 70 |
485 95 80 |
- | - | - | - | - |
| 157 |
7 118 503 |
155 120 |
500 460 36 |
127.4 32 М24*60 |
125 125 |
598 90 80 |
580 100 90 |
- | - | - | - | |
| Размер | А | D |
Е F |
Н1 Н2 |
L | L1 | N | Р |
S1 S2 |
|---|---|---|---|---|---|---|---|---|---|
| FCAZ37 | 112 | 110 |
11.5 3 |
76 252 |
110 | 165 | 80 | 11 |
9 М8 |
| FCAZ47 | 128.1 | 120 |
11 3 |
77 269 |
133 | 180 | 80 | 11 |
9 М8 |
| FCAZ57 | 136 | 155 |
12 3.5 |
93 317 |
150 | 200 | 105 | 17 |
13.5 М12 |
| FCAZ67 | 159.5 | 155 |
12 3.5 |
97 343 |
161 | 212 | 105 | 17 |
13.5 М12 |
| FCAZ77 | 200 | 170 |
14 3.5 |
121 426 |
193 | 270 | 125 | 17 |
13.5 М12 |
| FCAZ87 | 246.7 | 215 |
15 4 |
152 531 |
224 | 330 | 155 | 26 |
17.5 М16 |
| FCAZ97 | 285 | 260 |
18 4 |
178 623 |
274 | 400 | 180 | 26 |
17.5 М16 |
| FCAZ107 | 332.4 | 304 |
22 4 |
200 717 |
312 | 450 | 210J6 | 28 |
22 М20 |
| FCAZ127 | 382.6 | 350 |
30 5 |
236 856 |
373 | 530 | 250Н6 | 28 |
22 М20 |
| FCAZ157 | 447 | 400 |
28 5 |
286 1021 |
455 | 660 | 290Н6 | 36 |
26 М24 |
| Размер | Размер выходного вала | |||||||||||
|---|---|---|---|---|---|---|---|---|---|---|---|---|
| FCAZ.. | FCHZ.. | FCVZ.. | ||||||||||
|
I1 I2 |
d1 d2 |
I3 I4 I5 |
t U S1 |
d3 d4 |
I6 I7 I8 |
I9 I10 I11 |
d5 d6 |
I12 I13 I14 |
I15 I16 |
S2 S3 |
Z*M Me Dm |
|
| 37 |
9 123 |
45 30 |
120 105 17 |
33.3 8 M10*25 |
30 30 |
155 31 20 |
146 36 25 |
37 42 |
122 25 18 |
120 85 |
M10*30 M10 |
22*1.25 33.03 2.75 |
| 47 |
8 153 |
50 35 |
150 132 22 |
38.3 10 M12*30 |
35 35 |
184 32 20 |
177 37 25 |
37 42 |
152 32 18 |
150 115 |
M10*30 M10 |
16*2 38.92 4 |
| 57 |
9 170 |
55 40 |
166 142 29 |
43.3 12 M16*40 |
40 40 |
200 26 20 |
195 31 25 |
37 42 |
168 32 18 |
166 130 |
M10*30 M10 |
16*2 38.92 4 |
| 67 |
8.5 184 |
55 40 |
180 156 29 |
43.3 12 M16*40 |
40 40 |
215.5 38 20 |
208 43 25 |
47 52 |
180 42 25 |
180 130 |
M16*50 M16 |
21*2 48.85 4 |
| 77 |
10 213 |
70 50 |
210 183 32 |
53.8 14 M16*46 |
50 50 |
249 36 30 |
241 41 35 |
55 62 |
210 52 23 |
210 160 |
M16*50 M16 |
24*2 54.13 4 |
| 87 |
11 243 |
85 60 |
240 210 36 |
64.4 18 M20*50 |
65 65 |
291 41 40 |
281 46 45 |
72 82 |
240 62 25 |
240 180 |
M20*60 M20 |
31*2 68.96 4 |
| 97 |
14 303 |
95 70 |
300 270 34 |
74.9 20 M20*50 |
75 75 |
357 55 50 |
345 60 55 |
72 90 |
300 72 25 |
300 240 |
M20*60 M20 |
34*2 74.15 4 |
| 107 |
8 353 |
118 90 |
350 313 40 |
95.4 25 M24*60 |
95 95 |
420 65 60 |
405 75 70 |
90 105 |
353 89 26 |
350 290 |
M20*60 M20 |
27*3 90.99 4 |
| 127 |
2.5 413 |
135 100 |
410 373 38 |
106.4 28 M24*60 |
105 105 |
502 85 70 |
485 95 80 |
- | - | - | - | - |
| 157 |
14 503 |
155 120 |
500 460 36 |
127.4 32 M24*60 |
125 125 |
598 90 80 |
580 100 90 |
- | - | - | - | - |
| Размер | А |
а1 а2 |
В1 В2 |
С1 С2 |
Н1 Н2 |
L | L1 | S | FC../G | ||||
|---|---|---|---|---|---|---|---|---|---|---|---|---|---|
| К1 | К2 | Р1 | Р2 | N | |||||||||
| FCA37 | 112 |
158 31.5 |
15 46 |
30 12 |
76 252 |
110 | 165 | 14 | 40 | 12.5 | 20 | 1 | 5 |
| FCA47 | 128.1 |
170 32 |
12 64 |
22 12 |
77 269 |
133 | 180 | 14 | 40 | 12.5 | 20 | 1.8 | 5 |
| FCA57 | 136 |
198 19.5 |
19.5 60 |
31 14 |
93 317 |
150 | 200 | 14 | 40 | 12.5 | 20 | 2.4 | 5 |
| FCA67 | 159.5 |
218 41 |
12 65 |
40 16 |
97 343 |
161 | 212 | 14 | 40 | 12.5 | 20 | 3 | 5 |
| FCA77 | 200 |
278 50 |
28 69 |
49 20 |
121 426 |
193 | 270 | 22 | 60 | 21 | 30 | 3.2 | 10 |
| FCA87 | 246.7 |
346 62 |
32 79 |
57 26 |
152 531 |
224 | 330 | 22 | 60 | 21 | 30 | 4.5 | 10 |
| FCA97 | 285 |
395 70 |
34 104 |
88 30 |
178 623 |
274 | 400 | 26 | 80 | 25 | 40 | 5 | 12 |
| FCA107 | 332.4 |
485 88 |
57 100 |
108 36 |
200 717 |
312 | 450 | 26 | 80 | 25 | 40 | 6 | 12 |
| FCA127 | 382.6 |
510 110 |
66 125 |
138 40 |
236 856 |
373 | 530 | 33 | 100 | 32 | 60 | 9 | 15 |
| FCA157 | 447 |
660 150 |
98 140 |
170 45 |
286 1021 |
455 | 660 | 33 | 100 | 32 | 60 | 9 | 15 |
| Размер | Размер выходного вала | |||||||||||
|---|---|---|---|---|---|---|---|---|---|---|---|---|
| FCA.. | FCH.. | FCV.. | ||||||||||
|
I1 I2 |
d1 d2 |
I3 I4 I5 |
t U S1 |
d3 d4 |
I6 I7 I8 |
I9 I10 I11 |
d5 d6 |
I12 I13 I14 |
I15 I16 |
S2 S3 |
Z*M Me Dm |
|
| 37 |
0.5 123 |
45 30 |
120 105 17 |
33.3 8 M10*25 |
30 30 |
155 31 20 |
146 36 25 |
37 42 |
122 25 18 |
120 85 |
M10*30 M10 |
22*1.25 33.03 2.75 |
| 47 |
1 153 |
50 35 |
150 132 22 |
38.3 10 M12*30 |
35 35 |
184 32 20 |
177 37 25 |
37 42 |
152 32 18 |
150 115 |
M10*30 M10 |
16*2 38.92 4 |
| 57 |
1 170 |
55 40 |
166 142 29 |
43.3 12 M16*40 |
40 40 |
200 26 20 |
195 31 25 |
37 42 |
168 32 18 |
166 130 |
M10*30 M10 |
16*2 38.92 4 |
| 67 |
1 184 |
55 40 |
180 156 29 |
43.3 12 M16*40 |
40 40 |
215.5 38 20 |
208 43 25 |
47 52 |
180 42 25 |
180 130 |
M16*50 M16 |
21*2 48.85 4 |
| 77 |
1 213 |
70 50 |
210 183 32 |
53.8 14 M16*46 |
50 50 |
249 36 30 |
241 41 35 |
55 62 |
210 52 23 |
210 160 |
M16*50 M16 |
24*2 54.13 4 |
| 87 |
1 243 |
85 60 |
240 210 36 |
64.4 18 M20*50 |
65 65 |
291 41 40 |
281 46 45 |
72 82 |
240 62 25 |
240 180 |
M20*60 M20 |
31*2 68.96 4 |
| 97 |
1 303 |
95 70 |
300 270 34 |
74.9 20 M20*50 |
75 75 |
357 55 50 |
345 60 55 |
72 90 |
300 72 25 |
300 240 |
M20*60 M20 |
34*2 74.15 4 |
| 107 |
2.5 353 |
118 90 |
350 313 40 |
95.4 25 M24*60 |
95 95 |
420 65 60 |
405 75 70 |
90 105 |
353 89 26 |
350 290 |
M20*60 M20 |
27*3 90.99 4 |
| 127 |
2.5 413 |
135 100 |
410 373 38 |
106.4 28 M24*60 |
105 105 |
502 85 70 |
485 95 80 |
- | - | - | - | - |
| 157 |
7 503 |
155 120 |
500 460 36 |
127.4 32 M24*60 |
125 125 |
598 90 80 |
580 100 90 |
- | - | - | - | - |
| Размер | А | D |
В F |
Н1 Н2 |
L |
L1 L2 |
М N |
S | Размер выходного вала | |||||
|---|---|---|---|---|---|---|---|---|---|---|---|---|---|---|
| d | I |
I2 I2 |
u | t | V | |||||||||
| FCF37 | 112 | 160 | 10 3.5 |
76 252 |
184 |
165 138 |
130 110j6 |
4-ɸ9 | 25k6 | 50 |
5 40 |
8 | 28 | M10 |
| FCF47 | 128.1 | 200 |
12 3.5 |
77 269 |
218 |
180 162 |
165 130j6 |
4-ɸ11 | 30k6 | 60 |
3.5 50 |
8 | 33 | M10 |
| FCF57 | 136 | 250 |
15 4 |
93 317 |
243 |
200 177 |
215 180j6 |
4-ɸ13.5 | 35k6 | 70 |
7 56 |
10 | 38 | M12 |
| FCF67 | 159.5 | 250 |
15 4 |
97 343 |
264 |
212 188 |
215 180j6 |
4-ɸ13.5 | 40k6 | 80 |
5 70 |
12 | 43 | M16 |
| FCF77 | 200 | 300 |
16 4 |
121 426 |
330 |
270 234 |
265 230h6 |
4-ɸ13.5 | 50k6 | 100 |
10 80 |
14 | 53.5 | M16 |
| FCF87 | 246.7 | 350 |
18 5 |
152 531 |
374 |
330 259 |
300 250h6 |
4-ɸ17.5 | 60m6 | 120 |
5 110 |
18 | 64 | M20 |
| FCF97 | 285 | 450 |
22 5 |
178 623 |
456 |
400 321 |
400 350h6 |
8-ɸ17.5 | 70m6 | 140 |
7.5 125 |
20 | 74.5 | M20 |
| FCF107 | 332.4 | 450 |
22 5 |
200 717 |
523 |
450 358 |
400 350h6 |
8-ɸ17.5 | 90m6 | 170 |
5 160 |
25 | 95 | M24 |
| FCF127 | 382.6 | 550 |
25 5 |
236 856 |
634 |
530 429 |
500 450h6 |
8-ɸ17.5 | 110m6 | 210 |
15 180 |
28 | 116 | M24 |
| FCF157 | 447 | 660 |
28 6 |
286 1021 |
725 |
660 521 |
600 550h6 |
8-ɸ22 | 120m6 | 210 |
5 200 |
32 | 127 | M24 |
| Размер | Размер выходного вала | |||||||||||
|---|---|---|---|---|---|---|---|---|---|---|---|---|
| FCAF.. | FCHF.. | FCVF.. | ||||||||||
|
I3 I4 |
d1 d2 |
I5 I6 I7 |
t1 U1 S3 |
d3 d4 |
I8 I9 I10 |
I11 I12 I13 |
d5 d6 |
I14 I15 I16 |
I17 I18 |
S4 S5 |
Z*M Me Dm |
|
| 37 |
24 123 |
45 30 |
120 105 17 |
33.3 8 M10*25 |
30 30 |
155 31 20 |
146 36 25 |
37 42 |
122 25 18 |
120 85 |
M10*30 M10 |
22*1.25 33.03 2.75 |
| 47 |
25 153 |
50 35 |
150 132 22 |
38.3 10 M12*30 |
35 35 |
184 32 20 |
177 37 25 |
37 42 |
152 32 18 |
150 115 |
M10*30 M10 |
16*2 38.92 4 |
| 57 |
23.5 170 |
55 40 |
166 142 29 |
43.3 12 M16*40 |
40 40 |
200 26 20 |
195 31 25 |
37 42 |
168 32 18 |
166 130 |
M10*30 M10 |
16*2 38.92 4 |
| 67 |
23 184 |
55 40 |
180 156 29 |
43.3 12 M16*40 |
40 40 |
215.5 38 20 |
208 43 25 |
47 52 |
180 42 25 |
180 130 |
M16*50 M16 |
21*2 48.85 4 |
| 77 |
37 213 |
70 50 |
210 183 32 |
53.8 14 M16*46 |
50 50 |
249 36 30 |
241 41 35 |
55 62 |
210 52 23 |
210 160 |
M16*50 M16 |
24*2 54.13 4 |
| 87 |
30 243 |
85 60 |
240 210 36 |
64.4 18 M20*50 |
65 65 |
291 41 40 |
281 46 45 |
72 82 |
240 62 25 |
240 180 |
M20*60 M20 |
31*2 68.96 4 |
| 97 |
41.5 303 |
95 70 |
300 270 34 |
74.9 20 M20*50 |
75 75 |
357 55 50 |
345 60 55 |
72 90 |
300 72 25 |
300 240 |
M20*60 M20 |
34*2 74.15 4 |
| 107 |
41 353 |
118 90 |
350 313 40 |
95.4 25 M24*60 |
95 95 |
420 65 60 |
405 75 70 |
90 105 |
353 89 26 |
350 290 |
M20*60 M20 |
27*3 90.99 4 |
| 127 |
51 413 |
135 100 |
410 373 38 |
106.4 28 M24*60 |
105 105 |
502 85 70 |
485 95 80 |
- | - | - | - | - |
| 157 |
60 503 |
155 120 |
500 460 36 |
127.4 32 M24*60 |
125 125 |
598 90 80 |
580 100 90 |
- | - | - | - | - |
| Габарит | Электродвигатель | Y | Q | L |
|---|---|---|---|---|
|
FC..37RC17 FC..47RC17 |
АИС-63.. | 122 | 214 | 353 |
| АИС-71.. | 137 | 231 | 370 | |
| АИС-80.. | 156 | 253 | 392 | |
| FC..57RC37 | АИС-63.. | 122 | 214 | 353 |
| АИС-71.. | 137 | 231 | 370 | |
| АИС-80.. | 156 | 253 | 92.0 | |
| FC..67RC37 | АИС-63.. | 122 | 214 | 371 |
| АИС-71.. | 137 | 231 | 388 | |
| АИС-80.. | 156 | 253 | 410 | |
| АИС-90.. | 169 | 305 | 462 | |
| FC..77RC37 | АИС-63.. | 122 | 214 | 371 |
| АИС-71.. | 137 | 231 | 388 | |
| АИС-80.. | 156 | 253 | 410 | |
| АИС-90.. | 169 | 305 | 462 | |
| FC..87RC57 | АИС-63.. | 122 | 208 | 395 |
| АИС-71.. | 137 | 225 | 412 | |
| АИС-80.. | 156 | 250 | 437 | |
| АИС-90.. | 169 | 301 | 488 | |
| АИС-100.. | 194 | 349 | 536 | |
| FC..97RC57 | АИС-63.. | 122 | 208 | 395 |
| АИС-71.. | 137 | 225 | 412 | |
| АИС-80.. | 156 | 250 | 437 | |
| АИС-90.. | 169 | 301 | 488 | |
| АИС-100. | 194 | 349 | 536 | |
| АИС-112.. | 226 | 350 | 537 | |
| FC..107RC77 | АИС-63.. | 122 | 206 | 26 |
| АИС-71.. | 137 | 223 | 43 | |
| АИС-80.. | 156 | 251 | 71 | |
| АИС-90.. | 169 | 299 | 19 | |
| АИС-100.. | 194 | 346 | 66 | |
| АИС-112-M.. | 226 | 350 | 70 | |
| АИС-132-S.. | 266 | 405 | 25 | |
| АИС-132-M.. | 266 | 405 | 25 | |
| АИС-160-M.. | 320 | 500 | 20 | |
| FC..127RC77 | АИС-63.. | 122 | 206 | 426 |
| АИС-71.. | 137 | 223 | 443 | |
| АИС-80.. | 156 | 251 | 471 | |
| АИС-90.. | 169 | 299 | 519 | |
| АИС-100.. | 194 | 346 | 566 | |
| АИС-112-M.. | 226 | 350 | 570 | |
| АИС-132-S.. | 266 | 405 | 625 | |
| АИС-132-M.. | 266 | 445 | 665 | |
| АИС-160-M.. | 320 | 500 | 720 | |
| FC..127RC87 | АИС-90.. | 169 | 293 | 565 |
| АИС-100.. | 194 | 340 | 612 | |
| АИС-112.. | 226 | 350 | 622 | |
| АИС-132-S.. | 266 | 405 | 677 | |
| АИС-132-M.. | 266 | 445 | 717 | |
| АИС-160-M.. | 320 | 500 | 772 | |
| АИС-160-L.. | 320 | 545 | 817 | |
| АИС-180-M | 362 | 570 | 842 | |
| FC..157RC97 | АИС-180-L.. | 362 | 610 | 882 |
| АИС-80.. | 156 | 247 | 567 | |
| АИС-90.. | 169 | 296 | 616 | |
| АИС-100.. | 194 | 339 | 659 | |
| АИС-112.. | 226 | 350 | 670 | |
| АИС-132-S.. | 266 | 405 | 725 | |
| АИС-132-M.. | 266 | 445 | 765 | |
| АИС-160-M.. | 320 | 500 | 820 | |
| АИС-160-L.. | 320 | 545 | 865 | |
| АИС-180-M | 362 | 570 | 890 | |
| АИС-180-L.. | 362 | 610 | 930 | |
| АИС-200.. | 400 | 675 | 1030 |
| Температура среды эксплуатации |
от -10°C до +40°C |
от -20°C до +25°C |
от -30°C до +10°C |
от -40°C до +20°C |
от -40°C до +80°C |
от -40°C до +10°C |
|---|---|---|---|---|---|---|
| Стандарт ISO | VG220 | VG150 | VG68-46 | VG22 | VG220 | VG32 |
| VG100 | VG32 | VG15 | ||||
| Тип масла | Минеральное | Синтетическое | ||||
| Рекомендуемые марки | Shell Omala Oil 220 | Shell Omala Oil 100 | Shell Tellus T 32 | Shell Tellus T 15 | Shell Omala 220 HD | - |
| Mobil Mobilgear 630 | Mobil Mobilgear 627 | Mobil D.T.E.13M | Mobil D.T.E.11M | Mobil SHC 630 | Mobil SHC 624 | |
| BP Energol GR-XP220 | BP Energol GR-XP100 | - | BP Energol GR-HM10 | - | - | |
FC…, FCA…B, FCH…B, FCV…B
|
Габарит редуктора |
Монтажное исполнение | |||||
|---|---|---|---|---|---|---|
| М1 | М2 | М3 | М4 | М5 | М6 | |
| FC…27 | 0,6 | 0,8 | 0,7 | 0,7 | 0,6 | 0,6 |
| FC…37 | 0,95 | 1,25 | 0,7 | 1,25 | 1,0 | 1,1 |
| FC…47 | 1,5 | 1,8 | 1,1 | 1,9 | 1,5 | 1,7 |
| FC…57 | 2,6 | 3,5 | 2,1 | 3,5 | 2,8 | 2,9 |
| FC…67 | 2,7 | 3,8 | 1,9 | 3,8 | 2,9 | 3,2 |
| FC…77 | 5,9 | 7,3 | 4,3 | 8,0 | 6,0 | 6,3 |
| FC…87 | 10,8 | 13,0 | 7,7 | 13,8 | 10,8 | 11,0 |
| FC…97 | 18,5 | 22,5 | 12,6 | 25,2 | 18,5 | 20,0 |
| FC…107 | 24,5 | 32,0 | 19,5 | 37,5 | 27,0 | 27,0 |
| FC…127 | 40,5 | 55,5 | 34,0 | 61,0 | 46,5 | 47,0 |
| FC…157 | 69,0 | 104,0 | 63,0 | 105,0 | 86,0 | 78,0 |
FCF
|
Габарит редуктора |
Монтажное исполнение | |||||
|---|---|---|---|---|---|---|
| М1 | М2 | М3 | М4 | М5 | М6 | |
| FCF27 | 0,6 | 0,8 | 0,7 | 0,7 | 0,6 | 0,6 |
| FCF37 | 1,0 | 1,25 | 0,7 | 1,3 | 1,0 | 1,1 |
| FCF47 | 1,6 | 1,85 | 1,1 | 1,9 | 1,5 | 1,7 |
| FCF57 | 2,8 | 3,5 | 2,1 | 3,7 | 2,9 | 3,0 |
| FCF67 | 2,7 | 3,8 | 1,9 | 3,8 | 2,9 | 3,2 |
| FCF77 | 5,9 | 7,3 | 4,3 | 8,1 | 6,0 | 6,3 |
| FCF87 | 10,8 | 13,2 | 7,8 | 14,1 | 11,0 | 11,2 |
| FCF97 | 19,0 | 22,5 | 12,6 | 25,5 | 18,9 | 20,5 |
| FCF107 | 25,5 | 32,0 | 19,5 | 38,5 | 27,5 | 28,0 |
| FCF127 | 41,5 | 56,5 | 34,0 | 63,0 | 46,5 | 49,0 |
| FCF157 | 72,0 | 105,0 | 64,0 | 106,0 | 87,0 | 79,0 |
FCA…, FCH…, FCV…, FCAF…, FCHF…, FCVF…, FCAZ…, FCHZ…, FCVZ…
|
Габарит редуктора |
Монтажное исполнение | |||||
|---|---|---|---|---|---|---|
| М1 | М2 | М3 | М4 | М5 | М6 | |
| FC…27 | 0,6 | 0,8 | 0,7 | 0,7 | 0,6 | 0,6 |
| FC…37 | 0,95 | 1,25 | 0,7 | 1,25 | 1,0 | 1,1 |
| FC…47 | 1,5 | 1,8 | 1,1 | 1,9 | 1,5 | 1,7 |
| FC…57 | 2,7 | 3,5 | 2,1 | 3,4 | 2,9 | 3,0 |
| FC…67 | 2,7 | 3,8 | 1,9 | 3,8 | 2,9 | 3,2 |
| FC…77 | 5,9 | 7,3 | 4,3 | 8,0 | 6,0 | 6,3 |
| FC…87 | 10,8 | 13,0 | 7,7 | 13,8 | 10,8 | 11,0 |
| FC…97 | 18,5 | 22,5 | 12,6 | 25,5 | 18,5 | 20,0 |
| FC…107 | 24,5 | 32,0 | 19,5 | 37,5 | 27,0 | 27,0 |
| FC…127 | 39,0 | 55,5 | 34,0 | 61,0 | 45,0 | 46,5 |
| FC…157 | 68,0 | 103,0 | 62,0 | 104,0 | 85,0 | 77,0 |


%20FCAZ%2027.png)
%20FCAZ%2027%20%20FCHZ27%20maxYS80.png)
%20FCF%2027.png)
%20FCAF%2027%20%20FCHF27%20maxYS80%20%20FCV27.png)
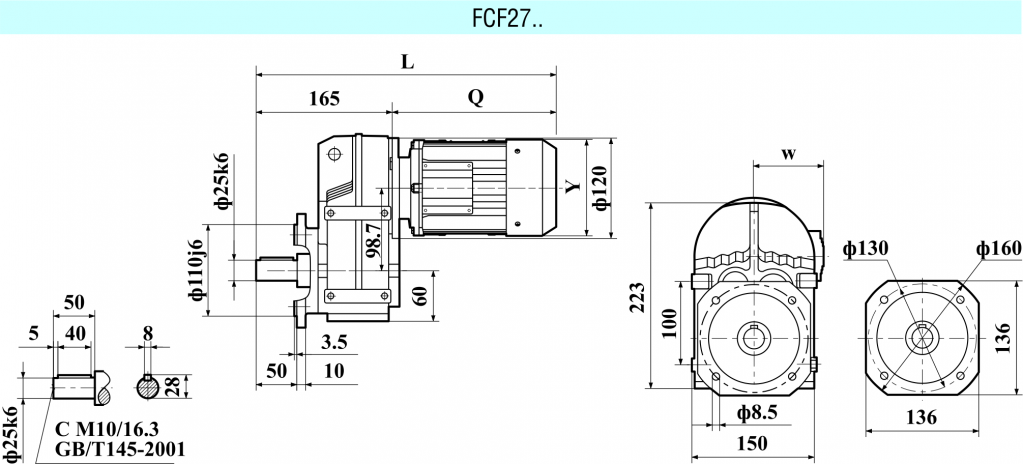
%20FC27.png)
%20FCA%2027B%20%20FCH%2027B%20max.YS80%20%20FCV%2027B.png)