Купить редуктор Редукторы червячные двухступенчатые DRW в Екатеринбурге | ЭНЕРАЛ.
Пн-Пт 08:00 – 16:00 (МСК)
Ваш город:

Редукторы червячные двухступенчатые DRW

Червячные редукторы типа DRW состоят из двух червячных передач, соединённых между собой переходником. Конструктивно редукторы являются самостоятельным узлом. Мотор-редуктор представляет собой редуктор, агрегатированный с электродвигателем. Для изменения скорости вращения выходного вала мотор-редуктор может агрегатироваться с вариатором или эксплуатироваться с преобразователем частоты.

Редукторы ENERAL типа DRW изготовлены в соответствии с ГОСТ 31592-2012. Климатическое исполнение: У, УХЛ и Т по ГОСТ 15150-69.

Подробнее о преимуществах червячных редукторов ENERAL 

Гарантия - 12 месяцев с даты ввода в эксплуатацию, но не более 18 месяцев с даты продажи.


Печать

СУО редуктора ДРВ.png


* - при отсутствии данного модуля или детали в условном обозначении ничего не указывается.

Печать

СУО мотор-редуктора ДРВ.png


* - при отсутствии данного модуля или детали в условном обозначении ничего не указывается.

Печать
Мощность,
кВт
Габаритный
размер
i общее Крутящий
момент, Н/м
i1 i2
0,06 030/040 300 68,7 10 30
030/040 400 90,7 10 40
030/040 500 101,6 20 25
030/040 600 111,5 20 30
030/040 750 145 25 30
030/040 900 165,8 30 30
030/050 174,7
030/040 1200 218,8 30 40
030/050 227
030/040 1500 234,9 50 30
030/050 247,5
030/063 270,2 30 50
030/040 1800 258,6 60 30
030/050 272,3
030/063 280,6 30 60
030/040 2400 341,2 60 40
030/050 353,9
030/063 365,7
040/175 388,7
030/040 3000 385,6 60 50
030/050 404,8
030/063 421,4
040/075 485,3
030/040 3200 369,2 80 40
0,09 030/040 300 103,1 10 30
030/050 400 141,1 10 40
030/050 500 161,3 10 50
030/050 600 176,2 20 30
030/050 750 229,1 25 30
030/063 900 272,7 30 30
030/063 1200 351,8 30 40
040/075 1500 450,5 50 30
040/075 1800 460 60 30
040/090 2400 579,3 60 40
040/090 3000 688,2 60 50
0,12 030/050 300 144,7 10 30
030/050 400 188,1 10 40
030/063 500 223,9 10 50
030/063 600 275 15 40
030/063 750 316,8 15 50
040/075 900 402,8 30 30
030/063 1200 469,1 30 40
040/075 510,5
040/090 1500 602,5 30 50
040/090 1800 686,2 30 60
040/090 2400 579,3 60 40
040/090 3000 688,2 60 50
0,18 030/050 300 217,1 10 30
030/063 400 291,5 10 40
030/063 500 335,9 10 50
040/075 600 427,6 20 30
040/075 750 550,4 25 30
040/090 900 599,7 30 30
040/090 1200 760,8 30 40
040/090 1500 903,7 30 50
050/110 1800 932,3 60 30
050/110 2400 1216,4 60 40
0,25 040/075 300 347,6 10 30
040/075 400 440,6 10 40
040/075 500 550,1 10 50
040/090 600 639,1 15 40
040/090 750 790,7 15 50
040/090 900 900,6 15 60
050/110 1200 1129 30 40
050/110 1500 1285,9 50 30
050/110 1800 1294,9 60 30
063/130 2400 1820,3 60 40
063/130 3000 2214,1 60 50
0,37 040/075 300 514,5 10 30
040/090 499,3 7,5 40
040/090 400 647,9 10 40
040/090 500 769,7 10 50
040/090 600 932,5 15 40
050/110 750 1157,2 25 30
050/110 900 1280,6 30 30
063/130 1200 1741,2 40 30
063/130 1500 2006,2 50 30
063/130 1800 2082,8 60 30
0,55 050/110 300 760,4 10 30
050/110 400 992,1 10 40
050/110 500 1227,3 10 50
050/110 600 1411,3 15 40
050/110 750 1720,2 25 30
063/130 1200 2595 30 40
0,75 050/110 300 1036,9 10 30
050/110 400 1352,9 10 40
063/130 500 1686,7 10 50
063/130 600 1984,5 15 40
063/130 750 2403 25 30
063/130 900 2735,8 30 30
1,1 063/130 300 1572,5 10 30
063/130 400 2033,9 10 40
1,5 063/130 300 2144,3 10 30
Печать

n2
(1 /мин)
M2
(Н/м)
S.f. i Габаритный
размер
редуктора
Мощность/обороты двигателя
(кВт/ об/мин)
Fr (Н)
 0,9 кВт
14 39 1,8 100 DRW030/040 0,09/1400 2769
9,3 56 1,3 150 DRW030/040 0,09/1400 3169
7 70 0,9 200 DRW030/040 0,09/1400 3488
5,6 83 0,7 250 DRW030/040 0,09/1400 3490
4,7 90 0,8 300 DRW030/040 0,09/1400 3490
14 40 3,4 100 DRW030/050 0,09/1400 3800
9,3 56 2,4 150 DRW030/050 0,09/1400 4350
7 70 1,7 200 DRW030/050 0,09/1400 4788
5,6 83 1,3 250 DRW030/050 0,09/1400 4840
4,7 92 1,6 300 DRW030/050 0,09/1400 4840
3,5 110 1,1 400 DRW030/050 0,09/1400 4840
2,8 127 0,9 500 DRW030/050 0,09/1400 4840
2,3 164 0,9 600 DRW030/050 0,09/1400 4840
1,9 191 0,8 750 DRW030/050 0,09/1400 4840
5,6 85 2,7 250 DRW030/063 0,09/1400 6270
4,7 88 2,9 300 DRW030/063 0,09/1400 6270
3,5 114 2,2 400 DRW030/063 0,09/1400 6270
2,8 132 1,8 500 DRW030/063 0,09/1400 6270
2,3 166 1,6 600 DRW030/063 0,09/1400 6270
1,9 194 1,4 750 DRW030/063 0,09/1400 6270
1,6 222 1,2 900 DRW030/063 0,09/1400 6270
1,2 270 1 1200 DRW030/063 0,09/1400 6270
0,9 315 0,9 1500 DRW030/063 0,09/1400 6270
0,8 351 0,8 1800 DRW030/063 0,09/1400 6270
0,9 371 1,2 1500 DRW040/075 0,09/1400 7380
0,8 417 1,1 1800 DRW040/075 0,09/1400 7380
0,6 513 0,8 2400 DRW040/075 0,09/1400 7380
0,9 389 1,8 1500 DRW040/090 0,09/1400 8180
0,8 437 1,6 1800 DRW040/090 0,09/1400 8180
0,6 539 1,1 2400 DRW040/090 0,09/1400 8180
0,5 630 0,9 3000 DRW040/090 0,09/1400 8180
0,4 755 0,7 4000 DRW040/090 0,09/1400 8180
0,12 кВт
14 52 1,4 100 DRW030/040 0,12/1400 2769
9,3 74 1 150 DRW030/040 0,12/1400 3169
14 54 2,6 100 DRW030/050 0,12/1400 3800
9,3 74 1,8 150 DRW030/050 0,12/1400 4350
7 94 1,3 200 DRW030/050 0,12/1400 4788
5,6 110 1 250 DRW030/050 0,12/1400 4840
4,7 122 1,2 300 DRW030/050 0,12/1400 4840
3,5 147 0,8 400 DRW030/050 0,12/1400 4840
2,8 170 0,7 500 DRW030/050 0,12/1400 4840
14 54 2,8 100 DRW030/063 0,12/1400 4967
9,3 75 2,8 150 DRW030/063 0,12/1400 5686
7 95 2,7 200 DRW030/063 0,12/1400 6259
5,6 114 2 250 DRW030/063 0,12/1400 6270
4,7 117 2,2 300 DRW030/063 0,12/1400 6270
3,5 152 1,7 400 DRW030/063 0,12/1400 6270
2,8 177 1,3 500 DRW030/063 0,12/1400 6270
2,3 222 1,2 600 DRW030/063 0,12/1400 6270
1,9 258 1 750 DRW030/063 0,12/1400 6270
1,6 297 0,9 900 DRW030/063 0,12/1400 6270
1,2 360 0,8 1200 DRW030/063 0,12/1400 6270
5,6 120 3,2 250 DRW040/075 0,12/1400 7380
4,7 134 3,3 300 DRW040/075 0,12/1400 7380
3,5 164 2,5 400 DRW040/075 0,12/1400 7380
2,8 188 2 500 DRW040/075 0,12/1400 7380
2,3 248 1,8 600 DRW040/075 0,12/1400 7380
1,9 299 1,5 750 DRW040/075 0,12/1400 7380
1,6 335 1,3 900 DRW040/075 0,12/1400 7380
1,2 415 1,1 1200 DRW040/075 0,12/1400 7380
0,9 495 0,9 1500 DRW040/075 0,12/1400 7380
0,8 556 0,8 1800 DRW040/075 0,12/1400 7380
2,8 202 2,8 500 DRW040/090 0,12/1400 8180
2,3 260 2,7 600 DRW040/090 0,12/1400 8180
1,9 313 2,2 750 DRW040/090 0,12/1400 8180
1,6 350 2 900 DRW040/090 0,12/1400 8180
1,2 434 1,6 1200 DRW040/090 0,12/1400 8180
0,9 518 1,4 1500 DRW040/090 0,12/1400 8180
0,8 582 1,2 1800 DRW040/090 0,12/1400 8180
0,6 719 0,8 2400 DRW040/090 0,12/1400 8180
1,2 448 2,8 1200 DRW050/110 0,12/1400 10320
0,9 527 2,4 1500 DRW050/110 0,12/1400 10320
0,8 592 2,1 1800 DRW050/110 0,12/1400 10320
0,6 766 1,5 2400 DRW050/110 0,12/1400 10320
0,5 914 1,2 3000 DRW050/110 0,12/1400 10320
0,4 1096 1 4000 DRW050/110 0,12/1400 10320
0,3 1269 0,9 5000 DRW050/110 0,12/1400 10320
0,18 кВт
14 78 0,9 100 DRW030/040 0,18/1400 2769
14 81 1,7 100 DRW030/050 0,18/1400 3800
9,3 112 1,2 150 DRW030/050 0,18/1400 4350
7 141 0,9 200 DRW030/050 0,18/1400 4788
4,7 183 0,8 300 DRW030/050 0,18/1400 4840
14 81 1,9 100 DRW030/063 0,18/1400 4967
9,3 113 1,9 150 DRW030/063 0,18/1400 5686
7 143 1,8 200 DRW030/063 0,18/1400 6259
5,6 171 1,4 250 DRW030/063 0,18/1400 6270
4,7 175 1,5 300 DRW030/063 0,18/1400 6270
3,5 228 1,1 400 DRW030/063 0,18/1400 6270
2,8 265 0,9 500 DRW030/063 0,18/1400 6270
2,3 333 0,8 600 DRW030/063 0,18/1400 6270
7 150 2,8 200 DRW040/075 0,18/1400 7380
5,6 180 2,1 250 DRW040/075 0,18/1400 7380
4,7 200 2,2 300 DRW040/075 0,18/1400 7380
3,5 246 1,7 400 DRW040/075 0,18/1400 7380
2,8 282 1,3 500 DRW040/075 0,18/1400 7380
2,3 372 1,2 600 DRW040/075 0,18/1400 7380
1,9 448 1 750 DRW040/075 0,18/1400 7380
1,6 502 0,9 900 DRW040/075 0,18/1400 7380
1,2 622 0,7 1200 DRW040/075 0,18/1400 7380
5,6 188 3 250 DRW040/090 0,18/1400 8180
4,7 210 3,3 300 DRW040/090 0,18/1400 8180
3,5 259 2,4 400 DRW040/090 0,18/1400 8180
2,8 303 1,9 500 DRW040/090 0,18/1400 8180
2,3 390 1,8 600 DRW040/090 0,18/1400 8180
1,9 469 1,5 750 DRW040/090 0,18/1400 8180
1,6 526 1,3 900 DRW040/090 0,18/1400 8180
1,2 652 1,1 1200 DRW040/090 0,18/1400 8180
0,9 777 0,9 1500 DRW040/090 0,18/1400 8180
0,8 874 0,8 1800 DRW040/090 0,18/1400 8180
1,2 671 1,9 1200 DRW050/110 0,18/1400 10320
0,9 790 1,6 1500 DRW050/110 0,18/1400 10320
0,8 888 1,4 1800 DRW050/110 0,18/1400 10320
0,6 1149 1 2400 DRW050/110 0,18/1400 10320
0,5 1370 0,8 3000 DRW050/110 0,18/1400 10320
0,25 кВт
14 112 1,2 100 DRW030/050 0,25/1400 3800
9,3 155 0,9 150 DRW030/050 0,25/1400 4350
14 112 1,3 100 DRW030/063 0,25/1400 4967
9,3 157 1,3 150 DRW030/063 0,25/1400 5686
7 198 1,3 200 DRW030/063 0,25/1400 6259
5,6 237 1 250 DRW030/063 0,25/1400 6270
4,7 244 1 300 DRW030/063 0,25/1400 6270
3,5 317 0,8 400 DRW030/063 0,25/1400 6270
14 116 3 100 DRW040/075 0,25/1400 5863
9,3 165 2,6 150 DRW040/075 0,25/1400 6712
7 209 2 200 DRW040/075 0,25/1400 7380
5,6 250 1,5 250 DRW040/075 0,25/1400 7380
4,7 278 1,6 300 DRW040/075 0,25/1400 7380
3,5 342 1,2 400 DRW040/075 0,25/1400 7380
2,8 391 0,9 500 DRW040/075 0,25/1400 7380
2,3 517 0,9 600 DRW040/075 0,25/1400 7380
1,9 622 0,7 750 DRW040/075 0,25/1400 7380
14 119 3 100 DRW040/090 0,25/1400 6487
9,3 170 3 150 DRW040/090 0,25/1400 7426
7 217 2,8 200 DRW040/090 0,25/1400 8174
5,6 261 2,2 250 DRW040/090 0,25/1400 8180
4,7 291 2,4 300 DRW040/090 0,25/1400 8180
3,5 359 1,7 400 DRW040/090 0,25/1400 8180
2,8 420 1,3 500 DRW040/090 0,25/1400 8180
2,3 542 1,3 600 DRW040/090 0,25/1400 8180
1,9 651 1,1 750 DRW040/090 0,25/1400 8180
1,6 730 1 900 DRW040/090 0,25/1400 8180
1,2 905 0,8 1200 DRW040/090 0,25/1400 8180
1,2 932 1,4 1200 DRW050/110 0,25/1400 10320
0,9 1097 1,2 1500 DRW050/110 0,25/1400 10320
0,8 1234 1 1800 DRW050/110 0,25/1400 10320
0,6 1596 0,7 2400 DRW050/110 0,25/1400 10320
3,5 386 3,1 400 DRW050/110 0,25/1400 10320
2,8 512 2,3 500 DRW050/110 0,25/1400 10320
2,3 548 2,3 600 DRW050/110 0,25/1400 10320
1,9 660 1,9 750 DRW050/110 0,25/1400 10320
1,6 751 1,7 900 DRW050/110 0,25/1400 10320
3,5 386 3,1 400 DRW063/110 0,25/1400 10320
2,8 524 2,2 500 DRW063/110 0,25/1400 10320
2,3 562 2,3 600 DRW063/110 0,25/1400 10320
1,9 677 1,9 750 DRW063/110 0,25/1400 10320
1,6 771 1,6 900 DRW063/110 0,25/1400 10320
1,2 973 1,3 1200 DRW063/110 0,25/1400 10320
0,9 1148 1,1 1500 DRW063/110 0,25/1400 10320
0,8 1296 1 1800 DRW063/110 0,25/1400 10320
0,6 1676 0,7 2400 DRW063/110 0,25/1400 10320
2,8 460 3,4 500 DRW063/130 0,25/1400 13500
2,3 571 3,1 600 DRW063/130 0,25/1400 13500
1,9 687 2,6 750 DRW063/130 0,25/1400 13500
1,6 783 2,2 900 DRW063/130 0,25/1400 13500
1,2 988 1,8 1200 DRW063/130 0,25/1400 13500
0,9 1165 1,5 1500 DRW063/130 0,25/1400 13500
0,8 1315 1,3 1800 DRW063/130 0,25/1400 13500
0,6 1676 1 2400 DRW063/130 0,25/1400 13500
0,5 1998 0,8 3000 DRW063/130 0,25/1400 13500
1,9 666 3,5 750 DRW063/150 0,25/1400 18000
1,6 840 2,5 900 DRW063/150 0,25/1400 18000
1,2 1013 2,6 1200 DRW063/150 0,25/1400 18000
0,8 1412 1,5 1800 DRW063/150 0,25/1400 18000
0,6 1702 1,6 2400 DRW063/150 0,25/1400 18000
0,5 1998 1,2 3000 DRW063/150 0,25/1400 18000
0,4 2453 0,9 4000 DRW063/150 0,25/1400 18000
0,3 2749 0,8 5000 DRW063/150 0,25/1400 18000
0,37 кВт
14 172 2,1 100 DRW040/075 0,37/1400 5863
9,3 245 1,7 150 DRW040/075 0,37/1400 6712
7 309 1,4 200 DRW040/075 0,37/1400 7380
5,6 370 1 250 DRW040/075 0,37/1400 7380
4,7 412 1,1 300 DRW040/075 0,37/1400 7380
3,5 506 0,8 400 DRW040/075 0,37/1400 7380
14 176 2,1 100 DRW040/090 0,37/1400 6487
9,3 251 2,1 150 DRW040/090 0,37/1400 7426
7 322 1,9 200 DRW040/090 0,37/1400 8174
5,6 386 1,5 250 DRW040/090 0,37/1400 8180
4,7 431 1,6 300 DRW040/090 0,37/1400 8180
3,5 532 1,1 400 DRW040/090 0,37/1400 8180
2,8 622 0,9 500 DRW040/090 0,37/1400 8180
2,3 802 0,9 600 DRW040/090 0,37/1400 8180
1,9 964 0,7 750 DRW040/090 0,37/1400 8180
7 338 3,4 200 DRW050/110 0,37/1400 10320
5,6 412 2,8 250 DRW050/110 0,37/1400 10320
4,7 441 2,9 300 DRW050/110 0,37/1400 10320
3,5 571 2,1 400 DRW050/110 0,37/1400 10320
2,8 757 1,5 500 DRW050/110 0,37/1400 10320
2,3 812 1,6 600 DRW050/110 0,37/1400 10320
1,9 977 1,3 750 DRW050/110 0,37/1400 10320
1,6 1111 1,1 900 DRW050/110 0,37/1400 10320
1,2 1380 0,9 1200 DRW050/110 0,37/1400 10320
0,9 1623 0,8 1500 DRW050/110 0,37/1400 10320
7 338 3,4 200 DRW063/110 0,37/1400 10320
5,6 412 2,8 250 DRW063/110 0,37/1400 10320
4,7 441 2,9 300 DRW063/110 0,37/1400 10320
3,5 571 2,1 400 DRW063/110 0,37/1400 10320
2,8 776 1,5 500 DRW063/110 0,37/1400 10320
2,3 832 1,5 600 DRW063/110 0,37/1400 10320
1,9 1002 1,3 750 DRW063/110 0,37/1400 10320
1,6 1141 1,1 900 DRW063/110 0,37/1400 10320
1,2 1441 0,9 1200 DRW063/110 0,37/1400 10320
0,9 1699 0,7 1500 DRW063/110 0,37/1400 10320
3,5 571 2,9 400 DRW063/130 0,37/1400 13500
2,8 681 2,3 500 DRW063/130 0,37/1400 13500
2,3 844 2,1 600 DRW063/130 0,37/1400 13500
1,9 1017 1,7 750 DRW063/130 0,37/1400 13500
1,6 1158 1,5 900 DRW063/130 0,37/1400 13500
1,2 1462 1,2 1200 DRW063/130 0,37/1400 13500
0,9 1725 1 1500 DRW063/130 0,37/1400 13500
0,8 1946 0,9 1800 DRW063/130 0,37/1400 13500
2,8 681 3,4 500 DRW063/150 0,37/1400 18000
2,3 840 3,2 600 DRW063/150 0,37/1400 18000
1,9 986 2,4 750 DRW063/150 0,37/1400 18000
1,6 1244 1,7 900 DRW063/150 0,37/1400 18000
1,2 1499 1,8 1200 DRW063/150 0,37/1400 18000
0,8 2089 1 1800 DRW063/150 0,37/1400 18000
0,6 2519 1,1 2400 DRW063/150 0,37/1400 18000
0,5 2958 0,8 3000 DRW063/150 0,37/1400 18000
0,55 кВт
14 255 1,4 100 DRW040/075 0,55/1400 5863
9,3 364 1,2 150 DRW040/075 0,55/1400 6712
7 459 0,9 200 DRW040/075 0,55/1400 7380
4,7 612 0,7 300 DRW040/075 0,55/1400 7380
14 261 1,4 100 DRW040/090 0,55/1400 6487
9,3 373 1,4 150 DRW040/090 0,55/1400 7426
7 478 1,3 200 DRW040/090 0,55/1400 8174
5,6 574 1 250 DRW040/090 0,55/1400 8180
4,7 641 1,1 300 DRW040/090 0,55/1400 8180
3,5 791 0,8 400 DRW040/090 0,55/1400 8180
14 268 2,4 100 DRW050/110 0,55/1400 8198
9,3 387 2,4 150 DRW050/110 0,55/1400 9384
7 503 2,3 200 DRW050/110 0,55/1400 10320
5,6 612 1,9 250 DRW050/110 0,55/1400 10320
4,7 656 1,9 300 DRW050/110 0,55/1400 10320
3,5 849 1,4 400 DRW050/110 0,55/1400 10320
2,8 1126 1 500 DRW050/110 0,55/1400 10320
2,3 1207 1 600 DRW050/110 0,55/1400 10320
1,9 1452 0,9 750 DRW050/110 0,55/1400 10320
1,6 1651 0,8 900 DRW050/110 0,55/1400 10320
9,3 387 3,1 150 DRW063/110 0,55/1400 9384
7 503 2,3 200 DRW063/110 0,55/1400 10320
5,6 612 1,9 250 DRW063/110 0,55/1400 10320
4,7 656 1,9 300 DRW063/110 0,55/1400 10320
3,5 849 1,4 400 DRW063/110 0,55/1400 10320
2,8 1154 1 500 DRW063/110 0,55/1400 10320
2,3 1237 1 600 DRW063/110 0,55/1400 10320
1,9 1489 0,8 750 DRW063/110 0,55/1400 10320
1,6 1697 0,7 900 DRW063/110 0,55/1400 10320
7 503 3,2 200 DRW063/130 0,55/1400 13500
5,6 612 2,5 250 DRW063/130 0,55/1400 13500
4,7 666 2,6 300 DRW063/130 0,55/1400 13500
3,5 849 1,9 400 DRW063/130 0,55/1400 13500
2,8 1012 1,5 500 DRW063/130 0,55/1400 13500
2,3 1255 1,4 600 DRW063/130 0,55/1400 13500
1,9 1512 1,2 750 DRW063/130 0,55/1400 13500
1,6 1722 1 900 DRW063/130 0,55/1400 13500
1,2 2174 0,8 1200 DRW063/130 0,55/1400 13500
5,6 612 3,3 250 DRW063/150 0,55/1400 18000
4,7 728 3,2 300 DRW063/150 0,55/1400 18000
3,5 862 3,1 400 DRW063/150 0,55/1400 18000
2,8 1012 2,3 500 DRW063/150 0,55/1400 18000
2,3 1248 2,1 600 DRW063/150 0,55/1400 18000
1,9 1465 1,6 750 DRW063/150 0,55/1400 18000
1,6 1849 1,1 900 DRW063/150 0,55/1400 18000
1,2 2229 1,2 1200 DRW063/150 0,55/1400 18000
0,6 3744 0,7 2400 DRW063/150 0,55/1400 18000
0,75 кВт
14 365 1,8 100 DRW050/110 0,55/1400 8198
9,3 527 1,8 150 DRW050/110 0,55/1400 9384
7 685 1,7 200 DRW050/110 0,55/1400 10320
5,6 835 1,4 250 DRW050/110 0,55/1400 10320
4,7 895 1,4 300 DRW050/110 0,55/1400 10320
3,5 1157 1 400 DRW050/110 0,55/1400 10320
2,8 1535 0,8 500 DRW050/110 0,55/1400 10320
2,3 1645 0,8 600 DRW050/110 0,55/1400 10320
14 365 3 100 DRW063/110 0,55/1400 8198
9,3 527 2,3 150 DRW063/110 0,55/1400 9384
7 685 1,7 200 DRW063/110 0,55/1400 10320
5,6 835 1,4 250 DRW063/110 0,55/1400 10320
4,7 895 1,4 300 DRW063/110 0,55/1400 10320
3,5 1157 1 400 DRW063/110 0,55/1400 10320
2,8 1573 0,7 500 DRW063/110 0,55/1400 10320
2,3 1686 0,8 600 DRW063/110 0,55/1400 10320
14 369 3 100 DRW063/130 0,55/1400 10722
9,3 521 3 150 DRW063/130 0,55/1400 12274
7 685 2,3 200 DRW063/130 0,55/1400 13500
5,6 835 1,8 250 DRW063/130 0,55/1400 13500
4,7 908 1,9 300 DRW063/130 0,55/1400 13500
3,5 1157 1,4 400 DRW063/130 0,55/1400 13500
2,8 1380 1,1 500 DRW063/130 0,55/1400 13500
2,3 1712 1 600 DRW063/130 0,55/1400 13500
1,9 2061 0,9 750 DRW063/130 0,55/1400 13500
1,6 2348 0,7 900 DRW063/130 0,55/1400 13500
7 685 3 200 DRW063/150 0,55/1400 18000
5,6 835 2,5 250 DRW063/150 0,55/1400 18000
4,7 993 2,3 300 DRW063/150 0,55/1400 18000
3,5 1175 2,3 400 DRW063/150 0,55/1400 18000
2,8 1380 1,7 500 DRW063/150 0,55/1400 18000
2,3 1702 1,6 600 DRW063/150 0,55/1400 18000
1,9 1998 1,2 750 DRW063/150 0,55/1400 18000
1,6 2521 0,8 900 DRW063/150 0,55/1400 18000
1,2 3039 0,9 1200 DRW063/150 0,55/1400 18000
1,1 кВт
14 535 1,2 100 DRW050/110 1,1/1400 8198
9,3 774 1,2 150 DRW050/110 1,1/1400 9384
7 1005 1,1 200 DRW050/110 1,1/1400 10320
5,6 1224 1 250 DRW050/110 1,1/1400 10320
4,7 1312 1 300 DRW050/110 1,1/1400 10320
14 535 2,1 100 DRW063/110 1,1/1400 8198
9,3 774 1,5 150 DRW063/110 1,1/1400 9384
7 1005 1,1 200 DRW063/110 1,1/1400 10320
5,6 1224 1 250 DRW063/110 1,1/1400 10320
4,7 1312 1 300 DRW063/110 1,1/1400 10320
14 542 2,1 100 DRW063/130 1,1/1400 10722
9,3 764 2,1 150 DRW063/130 1,1/1400 12274
7 1005 1,6 200 DRW063/130 1,1/1400 13500
5,6 1224 1,2 250 DRW063/130 1,1/1400 13500
4,7 1332 1,3 300 DRW063/130 1,1/1400 13500
3,5 1697 1 400 DRW063/130 1,1/1400 13500
2,8 2024 0,8 500 DRW063/130 1,1/1400 13500
2,3 2510 0,7 600 DRW063/130 1,1/1400 13500
9,3 771 2,6 150 DRW063/150 1,1/1400 18000
7 1005 2,1 200 DRW063/150 1,1/1400 18000
5,6 1224 1,7 250 DRW063/150 1,1/1400 18000
4,7 1456 1,6 300 DRW063/150 1,1/1400 18000
3,5 1723 1,5 400 DRW063/150 1,1/1400 18000
2,8 2024 1,2 500 DRW063/150 1,1/1400 18000
2,3 2496 1,1 600 DRW063/150 1,1/1400 18000
1,9 2931 0,8 750 DRW063/150 1,1/1400 18000
1,5 кВт
14 730 1,5 100 DRW063/110 1,5/1400 8198
9,3 1055 1,1 150 DRW063/110 1,5/1400 9384
7 1371 0,8 200 DRW063/110 1,5/1400 10320
5,6 1669 0,7 250 DRW063/110 1,5/1400 10320
4,7 1789 0,7 300 DRW063/110 1,5/1400 10320
14 739 1,5 100 DRW063/130 1,5/1400 10722
9,3 1042 1,5 150 DRW063/130 1,5/1400 12274
7 1371 1,2 200 DRW063/130 1,5/1400 13500
5,6 1669 0,9 250 DRW063/130 1,5/1400 13500
4,7 1816 1 300 DRW063/130 1,5/1400 13500
3,5 2315 0,7 400 DRW063/130 1,5/1400 13500
9,3 1052 1,9 150 DRW063/150 1,5/1400 18000
7 1371 1,5 200 DRW063/150 1,5/1400 18000
5,6 1669 1,2 250 DRW063/150 1,5/1400 18000
4,7 1985 1,2 300 DRW063/150 1,5/1400 18000
3,5 2350 1,1 400 DRW063/150 1,5/1400 18000
2,8 2760 0,8 500 DRW063/150 1,5/1400 18000
2,3 3404 0,8 600 DRW063/150 1,5/1400 18000

Печать

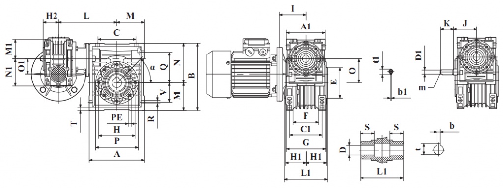
drw_gabarit.jpg

DRW А А1 В С С1 D(*) O1 Е F G Н Н1 Н2 I J К L L1 М М1 N
030/040 100 80 121,5 70 60 18(19) 9 60 43 71 75 36,5 29 55 51 20 120 78 50 40 71,5
030/050 120 80 144 80 70 25(24) 9 70 49 85 85 43,5 29 55 51 20 130 92 60 40 84
030/063 144 80 174 100 85 25(28) 9 80 67 103 95 53 29 55 51 20 145 112 72 40 102
040/075 172 100 205 120 90 28(35) 11 95 72 112 115 57 36,5 70 60 23 165 120 86 50 119
040/090 206 100 238 140 100 35(38) 11 110 74 130 130 67 36,5 70 60 23 182 140 103 50 135
050/110 255 120 295 170 115 42 14 130 - 144 165 74 43,5 80 74 30 225 155 127,5 60 167,5
063/130 293 144 335 200 120 45 19 180 - 155 215 81 53 95 90 40 245 170 146,5 72 187,5

DRW N1 O O1 Р Q R S Т V РЕ α b b1 t t1 m Масса, кг
030/040 57 40 30 87 55 6,5 26 6,5 35 М6х8(n=4) 45° 6(6) 3 20,8(21,8) 10,2 - 3,9
030/050 57 50 30 100 64 8,5 30 7 40 М8х10(n=4) 45° 8(8) 3 28,3(27,3) 10,2 - 5,0
030/063 57 63 30 110 80 8,5 36 8 50 М8х14(n=8) 45° 8(8) 3 28,3(31,3) 10,2 - 7,8
040/075 71,5 75 40 140 93 11 40 10 60 М8х14(n=8) 45° 8(10) 4 31,3(38,3) 12,5 - 12,0
040/090 71,5 90 40 160 102 13 45 11 70 М10х18(n=8) 45° 10 4 38,3(41,3) 12,5 - 16,0
050/110 84 110 50 200 125 14 50 14 85 М10х18(n=8) 45° 12 5 45,3 16,0 М6 47,0
063/130 102 130 63 250 140 16 60 15 100 М12х21(n=8) 45° 14 6 48,3 21,5 М6 66,0

Печать
Габарит редуктора 030 — 090 110 — 150
Температура среды
эксплуатации
от -25°С до +50°С от -5°С до +40°С от -15°С до +25°С
Стандарт ISO VG320 VG460 VG320
Тип масла Синтетическое Минеральное
Рекомендуемые
марки масла
MOBIL GLYGOYLE 320 MOBIL MOBILGEAR 634 MOBIL MOBILGEAR 320
BP ENERGOL SG-XP320 BP ENERGOL GR-XP460 BP ENERGOL GR-XP220
SHELL TIVELA OIL S320 SHELL OMALA OIL 460 SHELL OMALA OIL 220
CASTROL ALPHASYN PG320 CASTROL ALPHAMAX 460 CASTROL ALPHAMAX 220
ESSO SPARTAN EP 320 ESSO SPARTAN EP 460 ESSO SPARTAN EP 220
ЛУКОЙЛ И-Т-Д ЛУКОЙЛ МС-20 ЛУКОЙЛ МС-20

Оставьте заявку и мы свяжемся с вами

CAPTCHA